|
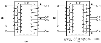
1、变压器两线圈同名端的判定 当一个变压器的次级线圈需要串联或并联使用时,或者几个变压器需要串联或并联使用时,为使连接正确,必须知道初级线圈和次级线圈端点间的相对极性.因此要判断变压器的同名端。由于原、副边电压都是交变的,当某一瞬时原绕组某一端点的电位相对于另一端点为正时,副绕组必然有一个对应的端点,其瞬时电位相对于副绕组的另一端点也为正。通常把原、副绕组电位瞬时极性相对应的端点称为同极性端,有时也叫同名端。图1所示变压器有两个副绕组,由于两个绕组绕向相同,当磁通Φ的变化使绕组中产生感应电动势时端点1和3的电位瞬时极性必然相同,所以端点1和3就是同极性端,当然端点2和4也是同极性端。为厂在使用变压器时能正确连接线路,通常在同极性端旁边标注*作为记号,图2表明了极性的变压器符号。如果两个副绕组的绕向相反,如图1(b)所示,端点1和4就成为同极性端。因此,变压器的同极性端与绕组的绕向有关。对于已经绕制好的绕组,在使用时必须知道它的同极性端,如果不知道,可用下述方法加以确定。 变压器绕组的同极性端,如图1所示:

图1 变压器绕组的同极性端
变压器绕阻极性的表示,如图2所示:

图2 变压器绕阻极性的表示
(1)变压器两线圈同名端的判定方法一 1)图3为测定变压器极性的一种电路。 变压器的一个绕组(团中为AX)通过开关和电池相连,另一个绕组与且流毫安表相连,a端接毫安表的正端,x端接毫安表的负端。当开关K接通瞬间,如果毫安表的指针正向偏转,则A、a是同极性端;如果指针反向偏转、则A、x是同极性端。 2)在某些场合,变压器接线要考虑同极性端。 例如在变压器反馈的振荡电路中,振荡变压器的反馈绕组只有在极性连接正确时,才能获得正反馈而形成自激振荡。又如某些小容量变压器有多个绕组,有时需要把绕组串联或并联,这时也要考虑同极性端。正确的串联接法,应把两个绕组的异极性端接在一起,如把图1(a)中的2、3端接在一起,这样在1、4两端得到的电压即为两个副绕组电压之和,若接反,则输出电压会抵消;正确的并联接法,应把两个绕组的同极性端接在一起.如把图1(a)中的1、3端,2、4端分别相连,这时可向负载提供更大的电流,但要注意并联绕组的电压必须相等,如接反,则会造成线圈短路以致烧毁变压器。
变压器绕组极性的测定,如图3所示:

图3 变压器绕组极性的测定
变压器同名端的判别电路,如图4所示:

图4 变压器同名端的判别电路
(2)变压器两线圈同名端的判定方法二 判断变压器的同名端时,先将变压器初次级线圈各一个端点相连(如图4所示端点2和4),在输入端1和2间加入交流电压U12,用电压表测量端点1和3,1和3间的电压。如果电压的有效值满足U13=U12 U34,则可知端点1和3为异名端;如果U13=U12-U34或U13=U34-U12,则可知端点1和3为同名端。 2、变压器的空载特性 变压器空载时,次级线圈的电流为零。如果变压器空载,在初级线圈上加上电压U0 ,初级线圈上便有电流流过,这个电流便是空载电流I0 ,空载电流的大小决定于初级线圈的电感量以及加在初级线圈上的电压和频率。空载电流产生磁通,标志着变压器的优劣。 变压器空载时,初级和次级线圈的电压有效值的比值叫做变压比或变压系数,用K表示,K= N1 /N2。当N1和N2不同时,变压器可以将某一电压的交流电转化为同一频率的另一电压的交流电。例如图5所示,将变压器的次级高压端开路,为防止电源电压在220V上下有波动,通过白耦变压器调节单相变压器初级线圈的电压为额定值U1,测U1及次级电压Uh,计算出变压比K=U1/Uh。 变压器测试实验电路,如图5所示:

图5 变压器测试实验电路
3、外特性测量 (1)在电源电压U1不变的情况下,变压器副边接入负载后,原、副边都有电流流过。并必然产生原、副边的内阻抗电压降,从而使副边的电压随负载的增减而变化。 (2)在一次绕组电压U1和负载功率因数保持不变的情况下,二次绕阻电压U2与电流I2之间的关系U2=f(I2)称为变压器的外特性。 变压器的外特性曲线,如图6所示:

图6 变压器的外特性曲线
由图可见,对电阻性和电感件负载而言,电压U2随电流I2的增加而下降。 从空载到满载(副边电流达到其额定值I2时),副边电压变化的数值与空载电压的比值称为电压调整率,用公式表示即: 式中U20和U2分别为空载和额定负载时的二次电压。在一般变压器中。由于其电阻和漏磁感抗均甚小,电压变化率是不大的,约5%左右。 |