在电子测量领域中,电压是基本参数之一。许多电参数,如增益、频率特性、电流、功率调幅度等都可视为电压的派生量。各种电路工作状态,如饱和、截止等,通常都以电压的形式反映出来。不少测量仪器也都用电压来表示。因此,电压的测量是许多电参数测量的基础。电压的测量对调试电子电路可以说是必不可少的。
电子电路中电压测量的特点是:
(1) 频率范围宽;电子电路中电压的频率可以从直流到数百兆赫范围内变化。
(2) 电压范围广;电子电路中,电压范围由微伏级到千伏以上高压,对于不同的电压档级必须采用不同的电压表进行测量。
(3) 存在非正弦量电压;被测信号除了正弦电压外,还有大量的非正弦电压。
(4) 交、直流电压并存;被测的电压中常常是交流与直流并存,甚至还夹杂有噪声干扰等成分。
(5) 要求测量仪器有高输入阻抗;由于电子电路一般是高阻抗电路,为了使仪器对被测电路的影响减至足够小,要求测量仪器有更高的输入电阻。
所以,在电子电路中,应根据被测电压的波形、频率、幅度、等效内阻,针对不同的测量对象采用不同的测量方法。如:测量精度要求不高,可用示波器或普通万用表;如果希望测量精度较高,根据现有条件,选择合适的测量仪器。
一、直流电压的测量
电子电路中的直流电压一般分为两大类,一类为直流电源电压,它具有一定的直流电动势E和等效内阻R0,如图1(a)所示。另一类是直流电路中某元器件两端之间的电压差或各点对地的电位,如图1(b)所示,图中R1,R2,R3,R4可以是任意元器件的直流等效电阻,UR1、UR3为元器件两端电压,Ul、U2既是对地电位又是元器件两端电压。

图1 两种直流电压
直流电压的测量方法大体上有直接测量法和间接测量法两种。
(1)直接测量法
将电压表直接并联在被测支路的两端,如图1.2.8所示,如果电压表的内阻为无限大,则电压表的示数即是被测两点间的电压值。实际电压表的的内阻不可能为无穷大,因此直接测量法必定会影响被测电路,造成测量误差。测量时还应注意电压表的极性。它影响到测量值与参考极性之的关系,也影响模拟式电压表指针的偏转方向。
(2)间接测量法
如图1(b)所示,若要测量R3两端的电压,可以分别测出R3对地的电位U1和U2,然后利用公式UR3=U1-U2求出要测量的电压值。
下面介绍实际使用的测方法。
1、 数字万用表测量直流电压
数字万用表的基本构成部件是数字直流电压表,因此,数字万用表均有直流电压档。用它测量直流电压可直接显示被测直流电压的数值和极性,有效数值位数较多,精确度高。一般数字万用表直流电压档的输入电阻较高,可达10MΩ以上,如DT890型数字万用表的直流电压档的输入电阻为10MΩ,将它并接在被测支路两端对被测电路的影响较小。
用数字万用表测量直流电压时,要选择合适的量程,当超出量程时会有溢出显示,如DT-990C型数字万用表,当测量值超出量程时会显示"OL",并在显示屏左侧显示"OVER"表示溢出。
数字万用表的直流电压档有一定的分辨力,即它所能显示的被测电压的最小变化值,实际上不同量程档的分辨力不同,一般以最小量程档的分辨力为数字电压表的分辨力,如DT890型数字万用表的直流电压分辨力为100μV,即这个万用表不能显示出比100μV更小的电压变化。
2、 模拟式万用表测量直流电压
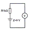
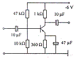
模拟式万用表的直流电压档由表头串联分压电阻和并联电阻组成,因而其输入电阻一般不太大,而且各量程档的内阻不同,各量程档内阻Rv=量程×直流电压灵敏度Sv-,因此同一块表,量程越大内阻越大。在用模拟式万用表测量直流电压时,一定要注意表的内阻对被测电路的影响,否则将可能产生较大的测量误差。(http://www.gdzrlj.com版权所有)例如用MF500-B型万用表测量如图2所示电路的等效电动势E,万用表的直流电压灵敏度Sv=20k?/V,选用10V量程档,测量值为7.2V,理论值为9V,相对误差为20%,这就是由所用万用表直流电压档的内阻Rv与被测电路等效内阻相比不够大所引起的,是测量方法不当引起的误差。再比如, 用灵敏度为10KΩ/V的万用表的2.5V直流电压档,去测量图3所示放大器中晶体管的发射结电压Ube。如果不直接测量UBE,而是分别测得UB=﹣0.88V,UE=﹣0.92V,计算得UBE=UB-UE=0.04V。根据这个测量结果,放大器必然处于截止状态,而实际上放大器却工作在放大状态,且UBE=﹣0.32V。

图2 测量支流电压
造成这个错误结论的原因是万用表2.5V 档的内阻为25kΩ,这个电阻并联在基极与地之间,减小了下偏置电阻,因而测出的UB值比实际值小得多,而测得的UE值由于发射极输出阻抗低,仪器内阻的影响小而接近其实际值。可见,上述误差是由于测试方法不当引起的,应直接测量基极与发射极之间的电压UBE。因此模拟式万用表的直流电压档测量电压只适用于被测电路等效内阻很小或信号源内阻很小的情况。
 |
|
| 图3 单管放大电路 |
图4 零示法测量直流电压 |
3、零示法测量直流电压
为了减小由于模拟式电压表内阻不够大而引起的测量误差,可用如图4所示的零示法。图中Es为大小可调的标准直流电源,测量时,先将标准电源Es置最小,电压表置较大量程档,按如图4所示的极性接人电路,然后缓慢调节标准电源Es的大小,并逐步减小电压表的量程档,直到电压表在最小量程档指示为零,此时E=Es,电压表中没有电流流过,电压表的内阻对被测电路无影响。然后断开电路,用电压表测量标准电源Es的大小即为被测E的大小。在此由于标准直流电源的内阻很小,一般均小于l?,而电压表的内阻一般在K?级以上,所以用电压表直接测量标准电源的输出电压,电压表内阻引起的误差完全可以忽略不计。
4、用电子电压表测量直流电压
为了提高电压表的内阻,可以将磁电式表头加装输入阻抗高、并且具有一定放大量的电子线路构成电子电压表,一般采用跟随器和放大器等电路提高电压表的输入阻抗和测量灵敏度,这种电子电压表可在电子电路中测量高电阻电路的电压值。
5、示波器测量直流电压
用示波器测量电压时,首先应将示波器的垂直偏转灵敏度微调旋钮置校准档,否则电压读数不准确。
具体测量步骤如下:
(1)将待测信号送至示波器的垂直输入端。
(2)确定直流电压的极性。将示波器的输入耦合开关置于"GND''档,调节垂直位移旋钮,将荧光屏上的水平亮线(时基线)移至荧光屏的中央位置,即水平坐标轴上。调整垂直灵敏度开关于适当档位,将示波器的输入耦合开关置于"DC"档,观察水平亮线的偏转方向(灵敏度不合适时,亮线可能消失,此时需要调整灵敏度)。若向上偏转,则被测直流电压为正极性,若向下偏转,则被测直流电压为负极性。
(3)定零电压线。将示波器的输入耦合开关置于"GND':档,调节垂直位移旋钮,将荧光屏上的水平亮线(时基线)向与其极性相反的方向移动,置于荧光屏的最顶端或最底端的坐标线上,即被测电压为正极性,就将时基线移至最底端的坐标线上,反之则将时基线移至最顶端的坐标线上,此时基线所在位置即为零电压所在位置,在此后的测量中不能再移动零电压线。即不能再调节垂直位移旋钮。
 |
 |
|
图5 示波器测量直流电压 |
图6 微差法测量直流电压 |
(4)将示波器的输入耦合开关置于"DC"档,调整垂直灵敏度开关于适当档位,读出此时荧光屏上水平亮线与零电压线之间的垂直距离Y(如图5所示),将Y乘以示波器的垂直灵敏度即可得到被测电压Ux的大小,即Ux=SY×Y。
6、微差法测量直流电压
在上面介绍的直流电压测量中都存在一个分辨力问题,数字电压表的分辨力是末位数字代表的电压值,模拟电压表的分辨力为最小刻度间隔所代表的电压值的一半,量程越大分辨力越低,如MF500-B型万用表在2.5V量程档,分辨力为0.025V,10V档的分辨力为0.1V,电压表不可能正确测量出比分辨力小的电压的微小变化量。
为了准确地测量大电压中的微小变化量,可以用如图6所示的微差法来测量。图中Es为大小可调的标准电源。测量时,调节Es的大小,使电压表在小量程档(分辨力最高)上有一个微小的读数ΔU,则Uo=Es+ΔUo。
当ΔU<Uo时,电压表的测量误差对Uo的影响极小,且电压表中流过的电流很小,对被测电压Uo不会产生大的影响。
7、含有交流成分的直流电压的测量
由于磁电式电表的表头偏转系统对电流有平均作用,不能反映纯交流量,所以,含有交流成分的直流电压的测量,一种常用的方法就是用模拟式电压表直流档直接测量。
如果叠加在直流电压上的交流成分具有周期性和幅度对称性,可直接用模拟式电压表测量其直流电压的大小。
由交流信号转换而得到的直流,如整流滤波后得到的直流平均值,以及非简谐波的平均直流分量都可用模拟式电压表测量。
一般不能用数字式万用表测量含有交流成分的直流电压,因为数字式直流电压表要求被测直流电压稳定,才能显示数字,否则数字将跳变不停。
二、 交流电压的测量
电子技术实验中,交流电压大致可分为正弦和非正弦交流电压两类,测量方法一般可分为两种,一种是具有一定内阻的交流信号源的测量,如图7(a)所示。另一种是电路中任意一点对地的交流电压的测量,如图7(b)所示电路中的U1、U2,也包括电路中任意两点间的交流电压,如URl,UR3。在此注意,用间接测量法求UR=U1-U2电压时,其值由矢量差求出,只有当U1和U2同相位时,才能用代数差表示。在时间域中,交流电压的变化规律是各种各样的,有按正弦规律变化的正弦波、线性变化的三角波、跳跃变化的方波、随机变化的噪声波等。但无论变化规律多么不同,一个交流电压的大小均可用峰值(或峰峰值)、平均值、有效值、波形因数、波峰因数来表征。

图7 测量两种交流电压方法
① 峰值UP
峰值是交变电压在所观察的时间或一个周期内所达到的最大值,记为UP如图8所示,峰值是从参考零电平开始计算的,有正峰值UP 和负峰值UP-之分。正峰值与负峰值一起包括时称为峰峰值UPP。常用的还有振幅Um,它是直流电压为参电平计算的。因此,当电压中包直流成分时,UP与Um是不相的,只有纯交流电压时UP=Um。

图8 交流电压的峰值与幅度
② 平均值
平均值 在数学上定义为
原则上,求平均值的时间为任意时间,对周期信号而言,T为信号周期。
根据以上的定义,若包含直流成分U-,则 =U-,若仅含有交流成分, =0。这样对纯粹的交流电压采说,由于 =0,将无法用平均值 来表征它的大小。由于在实际测量中,总是将交流电压通过检波器变换成直流电压后再进行测量的,因此平均值通常是指检波后的平均值。根据检波器的不同又可分为全波平均值和半波平均值,一般不加特别说明时,平均值都是指全波平均值,即
③ 有效值U
一个交流电压和一个直流电压分别加在同一电阻上,若它们产生的热量相等,则交流电压的有效值U等于该直流电压值,即

作为交流电压的一个参数,有效值比峰值、平均值用得更为普遍,当不特别指明时,交流电压的量值均指有效值,各类交流电压表的示值,除特殊情况外,都是按正弦波的有效值来刻度的。
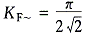
④ 波形因数KF
电压的有效值与平均值之比称为波形因数KF ,即
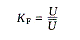
⑤ 波峰因数KP
交流电压的峰值与有效值之比称为波峰因数KP,即
几种典型交流电压波形的参数见表1
表1 几种典型交流电压的波形参数
1.正弦交流电压的测量
实验中对正弦交流电压的测量,一般测量其有效值,特殊情况下才测量峰值。由于万用表结构上的特点,虽然也能测量交流电压,但对频率有一定的限制。因此,测量前应根据待测量的频率范围,选择合适的测量仪器和方法。
⑴ 模拟式万用表测量交流
用万用表的交流电压档测量电压时,交流电压是通过检波器转换成直流后直接推动磁电式微安表头,由表头指针指示出被测交流电压的大小。因此这种表的内阻较低,且各量程的内阻不同,各档的内阻Rv=量程×交流电压灵敏度SV-,测量时应注意其内阻对被测电路的影响。此外,模拟式万用表测量交流电压的频率范围较小,一般只能测量频率在1kHz
以下的交流电压。它的优点是:由于模拟式万用表的公共端与外壳绝缘胶木无关,与被测电路无共同机壳接地(即接 "地")问题,因此,可以用它直接测量两点之间的交流电压。这是它的一大优点。
(2) 数字式万用表测量交流电压
数字式万用表的交流电压档,是将交流电压检波后得到的直流电压,通过A/D变换器变换成数字量,然后用计数器计数,以十进制显示被测电压值。与模拟式万用表交流电压档相比,数字式万用表的交流电压档输入阻抗高,如DT890型数字万用表的交流电压档的输入阻抗为10MΩ(在40~400Hz的测量频率范围内),对被测电路的影响小,但它同样存在测量频率范围小的缺点。如DT890型数字万用表测量交流电压的频率范围为40~400Hz。
(3) 模拟式电子电压表测量交流电压
模拟式电子电压表是一种常用的电子测量仪器,实验室中常用的晶体管毫伏表就是模拟式电子电压表的一种,它将被测信号经过放大后再检波(或先将被测信号检波后再放大)变换成直流电压,推动微安表头,由表头指针指示出被测电压的大小,因此,这类电压表的输入阻抗高,量程范围广,使用频率范围宽。 一般模拟式电子电压表的金属机壳为接地端,另一端为被测信号输入端。因此,这种表一般只能测量电路中各点对地的交流电压,不能直接测量任意两点间的电压,实验中应特别注意。
通常,模拟式电子电压表的表盘刻度都是按正弦波的有效值刻度的,所以,用它来测量正波形的电压时,可以由表盘直接读取电压有效值。但若用它测量非正弦电压,不能直接读数,需根据表内检波器的检波方式和被测波形的性质将读数乘上一个换算系数,才能得到被测非正弦波的电压有效值。
⑷ 示波器测量交流电压
用示波器法测量交流电压与电压表法相比具有如下优点:
①速度快;被测电压的波形可以立即显示在屏幕上。
②能测量各种波形的电压;电压表一般只能测量失真很小的正弦电压,而示波器不但能量失真很大的正弦电压,还能测量脉冲电压,已调幅电压等。
③能测量瞬时电压;示波器具有很小的惰性,因此它不但能测量周期信号峰值压,还能观测信号幅度的变化情况,它甚至能够测量单次出现的信号电压。此外,它还能测量测信号的瞬时电压和波形上任意两点间的电压差。
④能同时测量直流电压和交流电压;在一次测量过程中,电压表一般不能同时测量出被电压的直流分量和交流分量。示波器能方便地实现这一点。
用示波器测量电压主要缺点是误差较大,一般达5%~10%,现代数字直读式示波器,由于采用了先进的数字技术,误差可减小到1%以下。
示波器测量交流电压的主要测量步骤如下:
①将待测信号送至示波器垂直输入端。
②输入耦合开关置于"AC''位置。
③调整垂直灵敏度开关于适当位置,微调旋钮顺时针旋到头(校正位置)。注意:屏幕上所显示的波形不要超出垂直有效范围。
④分别调整水平扫描速度开关和触发同步系统的有关开关,使屏幕上能稳定显示一至二个周期的波形。
⑤被测信号电压的峰值为波形在垂直方向上所偏移距离的1/2乘以垂直灵敏度指数Sy。要知道有效值还需进行换算。

(a) (b)
图9 示波器测量交流电压
例如:图9(a)中,示波器的灵敏度开关置于2V/cm,则此正弦波A的峰值UP为
UP=2×2=4V
则有效值为

2. 非正弦交流电压的测量
电子技术实验中,非正弦交流量一般用的最多的是:三角波、矩齿波、脉冲和方波等。根据这几种波形的特点,直接测量其有效值有难度。一般先测出示值后再进行换算。
⑴ 用电压表测量
先用电压表测出其波形的示值Ua(由于电压表的示值都是按正弦波的有效值刻度的,所以此时的示值并不是待测量波的有效值),再根据示值Ua与平均值 、有效值U之间的转换关系,换算出该波形的有效值U。
例如:某三角波的测量示值Ua=8V,换算方法为先换算成正弦波的平均值
;
=Ua/KF= 8/1.11=7.2 (正弦波KF=1.11)
此值即为待测波的电压平均值,然后用该波的波形系数KF 换算成有效值。
U=
×KF=7.2×1.15=8.28 (三角波KF=1.15)
所以,该三角波的有效值为:8.28
⑵ 用示波器测量
用示波器可以方便地测出振荡电路、信号发生器或其他电子设备输出的非交流电压的峰值。然后,换算出该波形的有效值U即可。
例如:图9(b)中, 示波器的灵敏度开关置于5V/cm,则此三角波B的峰值UP为
UP=3×5=6V
根据有效值与峰值的关系
则有效值为
U=6/1.73 =3.475V ( 三角波的波峰因数KP=1.73)
三、 噪声电压的测量
在电子测量中,习惯上把信号电压以外的电压统称为噪声。从这个意义上说,噪声应包括外界干扰和内部噪声两大部分。由于外界干扰在技术上是可以消除的,所以最终关心的噪声电压的测量主要是对电路内部产生的噪声电压的测量。
1.用交流电压表测量噪声电压
噪声电压一般指有效值(均方值),因此用有效值电压表测量噪声电压有效值是很方便的,但是这种电压表较少且多数有效值电压表的频带较窄,所以一般都用平均值电压表进行噪声电压的测量。
平均值电压表的指针偏转角与被测电压的平均值成正比,但表盘刻度按正弦波电压有效值刻度。因此,用它测量非正弦的噪声电压时,其表针示数没有直接意义,必须经过换算,才能得到被测噪声电压的有效值。(http://www.gdzrlj.com版权所有)换算的原则是:无论被测电压是何种波形,只要表盘指针示数相等,平均值就相等。
设被测电压是噪声电压。表针示数为Uα,先将Uα换算成噪声的平均值 ,根据平均值相等示数相等的原则, 应等于用此平均值电压表测量正弦波电压示数为Uα时正弦波的平均值,即
式中KF~为正弦波的波形因数
则噪声电压的有效值U为

式中KF为噪声电压的波形因数,则
上式表示,用平均值电压表测量噪声电压时,表针示数乘以1.13就是噪声电压的有效值。
2、用示波器测量噪声电压
示波器的频带宽度很宽时,可以用来测量噪声电压,使用极其方便,尤其适合于测量噪声压的峰峰值。测量时,将被测噪声信号通过AC耦合方式送入示波器的垂直通道,将示波器的垂直灵敏度置于合适档位,将扫描速度置较低档,在荧光屏上即可看到一条水平移动的垂直亮线,这条亮线垂直方向的长度乘以示波器的垂直电压灵敏度就是被测噪声电压的峰峰值UPP,则噪声电压的有效值为U=(1/6)UPP。