低压保护电器主要用来获取、转换和传递信号.井通过其他电器对电路实现控制,熔断器和热继电器属于最常见的低压保护电器。熔断器有管式熔断器、插式熔断嚣、螺塞式熔断器等多种型式.熔断器熔体的热容量很小,动作很快,宜于用作短路保护元件,在照明线路和其他没有冲击载荷的线路中;熔断器也可用作过载保护元件。热继电器也是利用电流的热效应制成的。它主要由热元件、双金属片、控制触头等组成。热继电器的热容量较大,动作不快,只用于过载保护。 1. 熔断器 熔断器是一种利用电流热效应原理和热效应导体热熔断来保护电路的电器,广泛应用于各种控制系统中起保护电路的作用。当电路发生短路或严重过载时,它的热效应导体能自动迅速熔断,从而切断电路,使导线和电气设备不致损坏。由于它结构紧凑,价格低廉、工作可靠、使用、维护方便,因而应用十分广泛。 熔断器主要由熔体和安装熔体的绝缘管或绝缘座组成。熔体一般由熔点低、易于熔断、导电性能好的热效应合金材料制成;绝缘管或绝缘座一般由陶瓷、胶木或塑料组成。从结构上分,熔断器有插入式、螺旋式、密封式和自复式。 常用的插入式熔断器有RC1A系列。由软铝丝或铜丝制成熔体,这种熔断器一般用在低压照明线路末端或分支电路中作短路保护及高倍过流保护之用。其特点是结构简单,尺寸小,更换方便,价格低廉。 无填料密封管式熔断器有RM10系列,。当发生短路时,熔体在最细处熔断,并且多处同时熔断,有助于提高分断能力。熔体熔断时,电弧被限制在封闭管内,不会向外喷出,故使用起来较为安全。另外,在熔断过程中,密闭管内产生大量气体,气体压力达到30~80个大气压。在此大气压的作用下,电弧受到剧烈的压缩,加强了复合作用,促使电弧很快熄灭,从而提高了熔断器的分断能力。无填料密闭管式熔断器常用于低压电力线路或成套配电设备中的连续过载和短路保护。 有填料密封管式熔断器有RTO、RT系列,有的还包括熔断指示器和熔断体盖板。熔体采用紫铜箔冲制的网状熔片并联而成,装配时将熔片围成笼形,使填料与熔体充分接触,这样既能均匀分布电弧能量,提高分断能力,又可使管体受热较为均匀而不易断裂。熔断指示器是一个机械信号装置,指示器上焊有一根很细的康铜丝,与熔体并联。在正常情况下,由于康铜丝的电阻很大,电流基本上从熔体流过。当熔体熔断时,电流流过康铜丝,使其迅速熔断。此时,指示器在弹簧的作用下立即向外弹出,显现处醒目的红色信号。像RT14、RT18等一些新型的熔断器采用发光二极管作熔断指示器,当熔体熔断时,电流流过发光二极管而发光指示。绝缘手柄是用来装卸熔断器熔体的可动部件。 瓷质管体内充满了石英砂填料,起冷却和消弧的作用,加上熔体的特殊结构,使有填料封闭管式熔断器可以分断较大的电流,故常用于大容量的配电线路中。 螺旋式熔断器有RLS系列和RL1系列。熔体是一个瓷管,内装石英砂和熔丝,石英砂用于熔断时的消弧和散热,瓷管头部装有一个染成红色的熔断指示器,一旦熔体熔断,指示器马上弹出脱落,透过瓷帽3上的玻璃孔可以看到,起到指示的作用。螺旋式熔断器具有较大的热惯性和较小的安装面积,常用于机床电气控制。其缺点是熔体为一次性使用,成本较高。 快速熔断器有RSO系列和RS3系列。快速熔断器主要用于半导体器件保护。半导体器件的过载能力很低,只能在极短的时间(数毫秒至数十毫秒)内承受过载电流。而一般熔断器的熔断时间是以秒计的,所以不能用来保护半导体器件,为此,必须采用在过载时能迅速动作的快速熔断器。快速熔断器的结构与有填料封闭管式熔断器基本一致,所不同的是快速熔断器采用以银片冲制成的有V形深槽的变截面熔体。 自复式熔断器采用低熔点金属钠作熔体。当发生短路故障时,短路电流产生高温使钠迅速气化,呈现高阻状态,从而限制了短路电流的进一步增加。一旦故障消失,温度下降,金属钠蒸汽冷却并凝结,重新恢复原来的导电状态,为下一次动作作好准备。由于自复式熔断器只能限制短路电流,却不能真正切断电路,故常与断路器配合使用。它的优点是不必更换熔体,可重复使用。 熔断器的保护特性也就是熔体的熔断特性,一般也称作为安秒特性。所谓按秒特性是指熔体的熔化电流与溶化时间的关系,如图1所示。从特性曲线上可以看出,熔断器的熔断时间与通过熔体的电流大小有关,同时存在一熔断电流与不熔断电流的分界线,此分界电流称为最小熔断电流Iτ。熔断器的额定电流Ie必须小于最小熔断电流Iτ。 熔断器的最小熔断电流Iτ与额定电流I.e.之比称为熔断器的熔化系数,熔化系数主要取决于熔体的材料、工作温度和结构。一般情况下,当通过的电流不超过1.25 I.e.时,熔体将长期工作;当电流不超过2 I.e.时,约在30s~40s后熔断;当电流达到2.5 I.e.时,约在8s左右熔断;当电流达到4 I.e.时,约在2s左右熔断;当电流达到10 I.e.时,熔体瞬时熔断。所以当电路发生短路时,短路电流使熔体瞬时熔断。熔断器的图形符号表示如图2所示。文字符号用FU表示。
 图1 熔断器按秒特性

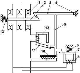
图2 熔断器的图形符号 熔断器一般是根据线路的工作电压和额定电流来选择的;对一般电路、直流电动机和线绕式异步电动机的保护来说,熔断器是按它们的额定电流选择的。但对于鼠笼式异步电动机,却不能这样,因为,鼠笼式异步电动机直接启动时的启动电流为额定电流的(5~7)倍,按额定电流选择时,熔体将即刻熔断。因此,为了保证所选的熔断器既能起到短路保护的作用,又能使电机启动,一般鼠笼式异步电动机的熔断器按启动电流的1/K(K=1.6~2.5)来选择。轻载启动、启动时间短的K选大一些,重载启动、启动时间长的K选小一些。由于电动机的启动时间是短促的,故这样选择的熔断器在启动过程中是来不及熔断的。 熔断器结构简单、价廉、但动作准确性较差,熔体断了以后需重新更换,而且若只断了一相还会造成电动机的缺相运行,所以它只适用于自动化程度和其动作准确性要求不高的系统中。 2. 热继电器 为了充分发挥电动机的过载能力,电动机短时过载是允许的。但长期过载电动机就要发热,电动机工作时,是不允许超过额定温升的,否则会降低电动机的寿命。熔断器和过电流继电器只能保护电动机不超过允许最大电流,不能反映电动机的发热情况,不能起到恰当的保护作用。因此,必须采用一种其工作原理与电动机过载发热温升特性相吻合的保护电器来有效保护电动机,这种电器就是热继电器。 热继电器是利用电流的热效应和金属材料的热膨胀系数差异的原理而工作的电器。它主要用来保护三相交流电动机的出现长时间过载。热继电器是一种继电器,他在电路中几乎都是以保护元件的形式出现,所以本书把它归类为保护电器。 图3所示是热继电器的原理结构示意图。其主要有发热元件、双金属片和触点组成。发热元件与双金属片作为反映温度信号的感应部分;触点作为控制电流通、断的执行部分。发热元件15用镍铬合金丝等电阻材料做成,直接串连在被保护的电动机主电路内,它随电流I的大小和时间的长短而发出不同的热量,这些热量加热双金属片14。双金属片是由两种膨胀系数不同的金属片碾压而成,右层采用高膨胀系数的材料,如铜或铜镍合金,左层采用低膨胀系数的材料,如因瓦钢。双金属片的一端是固定的,另一端为自由端。当电机正常运行时,热元件产生的热量使双金属片略有弯曲,并与周围环境保持热交换平衡。当电机过载运行时,热元件产生的热量来不及与周围环境进行热交换,使双金属片进一步弯曲,推动导板16向左移动,并推动补偿双金属片1绕轴2顺时针转动,推杆8向右推动片簧7到一定位置时,弓形弹簧片11作用力方向发生改变,使簧片12向左运动,动合触点9闭合,动断触点10断开。用此触点断开电机的控制电路,从而使电动机得到保护。主电路断电后,随着温度的下降,双金属片恢复原位。可使用手动复位按钮13使触点10复位。借助凸轮6、和推杆4可以在额定电流的66%~100%范围内调节动作电流。 热继电器的图形符号如图4所示,其文字符号用FR表示。
 图3 热继电器结构原理图
 图4 热继电器的图形符号 缺相运行是三相交流电机烧坏的主要原因之一。由于热继电器是串联在电机主电路中的,所以其通过的电流就是线电流。对于Y形接法,当电路发生缺相运行时,另两相电流明显增大,流过热继电器的电流等于电机相(绕组)电流,热继电器可以起到保护作用。而对于△形接法,电机的相电流小于线电流,热继电器是按线电流来整定的,当电路发生缺相运行时,另两相电流明显增大,但不至于超过线电流或超过有限,这时热继电器就不会动作,也就起不到保护作用。所以,对于△形接法的电路必须采用带缺相保护装置具有三个热元件的热继电器。 热继电器有制成单个的,亦有和接触器制成一体一同安放在磁力启动器的壳体之内的。目前一个热继电器内一般有两个或三个加热元件,通过双金属片和杠杆系统作用到同一常闭触点上。 使用热继电器时要注意一下几个问题: a.为了正确地反映电动机的发热,在选择热继电器时应采用适当的热元件,热元件的额定电流与电动机的额定电流值相等,继电器便准确地反映电动机的发热。同一种热继电器有许多种规模的热元件。 b.注意热继电器所处的周围环境温度,应保证它与电动机有相同的散热条件,特别是有温度补偿装置的热继电器。 c.由于热继电器有热惯性,大电流出现时它不能立即动作,故热继电器不能用作短路保护。 d.用热继电器保护三相异步电动机时,至少需要用有两个热元件的热继电器,从而在不正常的工作状态下,也可对电动机进行过载保护,例如,电动机单相运行时,至少有一个热元件能起作用。当然,最好采用有三个热元件带缺相保护的热继电器。 3. 低压断路器 低压断路器又称自动空气断路器,简称为自动空气开关或自动开关,它相当于把手动开关、热继电器、电流继电器、电压继电器等组合在一起构成的一种电器元件。主要用于供电控制、电机的不频繁启、停控制和保护,它是在低压电路中应用非常广泛的一种保护电器。常用低压断路器的实物如图5所示。 图

5 低压断路器的实物图 低压断路器主要由触点系统、操作机构、和各种保护元件三大部分组成。它的触点系统与接触器的触点系统相似,主触头由耐弧合金(如银钨合金)制成,较大容量的还采用灭弧栅片灭弧,具有直接断开负荷主回路的能力。各种保护元件实质就是各种脱扣器,不仅具有作为短路保护的过电流脱扣器,还具有作为长期过载保护的热脱扣器,还有失压保护脱扣器。故在自动化程度和工作特性要求高的系统中,它是一种很好的保护电器。 低压断路器的种类很多,按用途分有保护配电线路用、保护电动机用、保护照明线路用及漏电保护用;按结构型式分有框架式(又称万能式)和装置式(又称塑壳式)自动空气开关;按极数分有单极、双极、三极、四极自动空气开关;按限流性能分有不限流和快速限流自动空气开关;按操作方式分有直接手柄操作式、杠杆操作式、电磁铁操作式、电动机操作式自动空气开关。常用型号有DZ5、DZ20、DZ47、C45、3VE等系列。 低压断路器的工作原理如图6所示。低压断路器的图形符号如图7所示,其文字符号用QF表示。 低压断路器的工作原理如下:主触点1串联在被控制的电路中。将操作手柄扳到合闸位置时,搭扣3勾住锁键2,主触头1闭合,电路接通。由于触头的连杆被锁钩3锁住,使触头保持闭合状态,同时分断弹簧被拉长,为分断作准备。(http://www.gdzrlj.com版权所有)瞬时过电流脱扣器(磁脱扣)12的线圈串联于主电路,当电流为正常值时,衔铁吸力不够,处于打开位置。当电路电流超过规定值时,电磁吸力增加,衔铁11吸合,通过杠杆5使搭扣3脱开,主触点在弹簧13作用下切断电路,这就是瞬时过电流或短路保护作用。当电路失压或电压过低时,欠压脱扣器8的衔铁7释放,同样由杠杆5使搭扣3脱开,起到欠压和失压保护作用。当电源恢复正常时,必须重新合闸后才能工作。长时间过载使得过流脱扣器的双金属片式(热脱扣)10弯曲,同样由杠杆5使搭扣3脱开,起到过载(过流)保护作用。
 图6 低压断路器结构原理图
 图7 低压断路器的图形符号 低压断路器的主要参数有额定电压、额定电流、通断能力和分断时间。额定电压是指断路器在长期工作时的允许电压,在实际使用中它应大于电路的额定电压;额定电流是指断路器在长期工作时的允许通过电流,在实际使用中它应大于电路的额定电流,并考虑安装环境和负载性质的影响;通断能力是指断路器在规定的电压、频率以及规定的电路参数(交流电路为功率因数,直流电路为时间常数)下,所能接通和分断的短路电流值;分断时间是指断路器切断故障电流所需的时间。
|