电气原理图的画法及阅图方法
时间:2023-03-14来源:佚名
|
电力拖动电气控制线路主要由各种电器元件(如接触器、继电器、电阻器、开关)和电动机等用电设备组成。为了设计、研究分析、安装维修时阅图方便,在绘制电气控制线路图时,必须使用国家统一规定的电气图形符号和文字符号。常用的电气设备图样有三类。
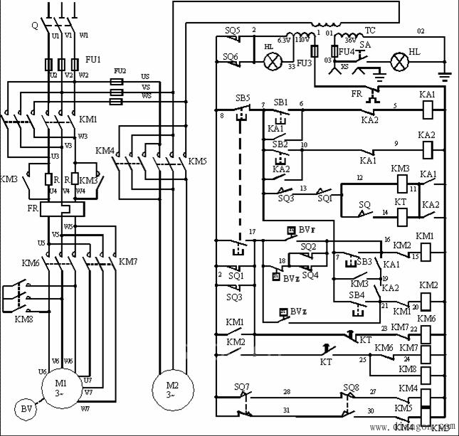
一、电气原理图 电气原理图表明了电气控制线路的工作原理。 以及 各电器元件的作用和相互关系,而不考虑各电路元件安 装位置和实际连线情况。绘制电气原理图,一般遵循下 面的规则: 1. 电气控制线路分为主电路和控制电路。主电路用粗 线绘出,而控制电路用相对较细线画。一般主电路画在 左侧,控制电路画在右侧。 2. 电气控制线路中,同一电器的各导电部件如线圈和触点 常常不画在一起,但必须用统一文字标明。 3. 电气控制线路的全部触点都按“平常”状态绘出。
|










