如何从晶体管的物理模型得到简化的高频小信号模型?
时间:2023-03-14来源:佚名
|
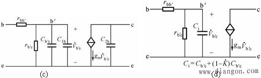
晶体管有两个PN结:发射结和集电结,当工作频率很高时,结电容不能忽略,每个PN结都可以用一个结电阻和结电容并联来等效。按照晶体管的实际结构,考虑发射结和集电结电容后,可得如图1(a)所示的模型,常称为晶体管的物理模型。
物理模型中, 简化混合π模型中,集电结电容
由于输出回路中的等效电容
图1 三极管的高频小信号模型 (a) 物理模型 (b) 简化混合π模型 (c) 单向化处理 (d) 简化模型 |
、
分别为集电区和发射区的体电阻,它们的数值很小,实际上可忽略不计。
为集电结的反偏电阻,
为三极管动态输出电阻,它们通常数值较大,可当作开路。于是可得到如图1 (b)所示的简化混合π模型。
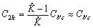
横跨在输入和输出两个回路之间,使电路分析很不方便。为此,可通过密勒定理将
和输出回路中的等效电容
,如图1(c)所示。设
(
近似为中频时的电压放大倍数),可知,
。由密勒定理可得

。






