晶体二极管的伏安特性曲线
|
二极管最重要的特性就是单向导电性,这是由于在不同极性的外加电压下,内部载流子的不同的运动过程形成的,反映到外部电路就是加到二极管两端的电压和通过二极管的电流之间的关系,即二极管的伏安特性。在电子技术中,常用伏安特性曲线来直观描述电子器件的特性。按照图1的实验电路来测量,在不同的外加电压下,每改变一次RP的值就可测得一组电压和电流数据,在以电压为横坐标,电流为纵坐标的直角坐标系中描绘出来,就得到二极管的伏安特性曲线。
图1 测量晶体二极管伏安特性
a) 正向特性 b) 反向特性
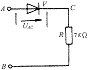
图2 2CZ54D伏安特性曲线 图3 2AP7伏安特性曲线 图2和图3分别表示硅二极管2CZ54D和锗二极管2AP7的伏安特性曲线,图中坐标的右上方是二极管正偏时,电压和电流的关系曲线,简称正向特性;坐标左下方是二极管反偏时电压和电流的关系曲线,简称反向特性。下面我们以图1为例加以说明。 图4 计算反向击穿的电流 如图4所示电路。电源电压为30伏,二极管的反向击穿电压为20伏,电源电压高于击穿电压,二极管击穿后电压为20伏,其余10伏电压降落在电阻上,于是可求出此时二极管的反向电流I=(30-20)/R=10/R,若R=10千欧,则I=1毫安,若R=100欧,则I=100毫安。如果选择适当的电阻,在反向击穿后,能把电流限制在二极管能承受的范围内,二极管不损坏。把反向电压降低,二极管的单向导电性又可恢复。若无适当限流措施,会使PN结烧坏。 图 5 [解] (1) 当 |


时,开始的一段,由于外加电压较小,还不足以克服PN结内电场对载流子运动的阻挡作用,因此正向电流几乎为零,二极管呈现的电阻较大,曲线0A段比较平坦,我们把这一段称作不导通区或者死区。与它相对应的电压叫死区电压,一般硅二极管约0.5伏,锗二极管约0.2伏(随二极管的材料和温度不同而不同)。
增长很快,二极管正向导通。导通后,正向电压微小的增大会引起正向电流急剧增大, AB 段特性曲线陡直,电压与电流的关系近似于线性,我们把 AB 段称作导通区。导通后二极管两端的正向电压称为正向压降(或管压降),也近似认为是导通电压。一般硅二极管约为0.7伏,锗二极管为0.3伏。由图可见,这个电压比较稳定,几乎不随流过的电流大小而变化。
时,加强了PN结内电场,使二极管呈现很大电阻。由于少量的少数载流子存在,在反向电压作用下很容易通过PN结,形成很小的反向电流
。反向电压开始增加时,反向电流略有增加,随后在一定范围内便不随反向电压增加而增加,如曲线0C 段。此处的反向电流IR通常也称为反向饱和电流
, 0C 段称为反向截止区。反向电流是由少数载流子形成的,它会随温度升高而增大,实际应用中,此值越小越好。一般硅二极管的反向电流在几十微安以下,锗二极管的则达几百微安,大功率二极管的将更大些。

=+14伏时,硅二极管正偏导通,它两端电压
=0.7伏(正向压降)。流过二极管的电流为:







