在大容量发电机中,由于额定电流很大,其每相都是由两个或多个并联的绕组组成。在正常运行的时候,各绕组中的电动势相等,流过相等的负荷电流。而当任一绕组发生匝间短路时,绕组中的电动势就不再相等,因而会出现因电动势差而在各绕组间产生均衡电流。利用这个环流,可以实现对发电机定子绕组匝间短路的保护,即横差动保护。以一个每相具有两个并联分支绕组的发电机为例,发生不同性质的同相内部短路时横差动保护的原理可用两个原理图来说明。

图1 一个绕组内部匝间短路的横差动保护
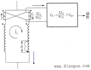
在某一个绕组内部发生匝间短路,此时由于故障支路和非故障支路的电动势不相等,因此有一个环流Id产生,这时在差动回路中将流有电流Id。
当此电流大于继电器的起动电流时,保护即可动作于跳闸。短路匝数越多时,则环流越大;当a较小时,保护就不能动作,即保护有死区。
在同相的两个绕组间发生匝间短路,当a1≠a2时,由于两个支路的电动势差,将分别产生两个环流I'd和I''d,此时继电器中的电流为Id,当a1-a2之差值很小时,也将出现保护死区。
当a1=a2时,表示在电动势等位点上短接,此时无环流。

图2 同相不同绕组匝间短路的横差动保护