电气制图及电气控制电路读图方法
|
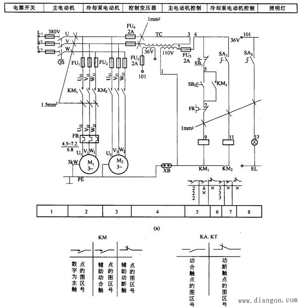
电气控制系统是由电气设备及电气元件按照一定的控制要求联接而成。为了表达设备电气控制系统的组成结构,工作原理及安装、调试、维修等技术要求,需要用统一的工程语言即用工程图的形式来表达,这种工程图即是电气控制图。 由于电气控制系统图描述的对象复杂,应用领域广泛,表达形式多种多样,因此表示一项电气工程或一种电器装置的电气控制徒有多种,如:电气系统图、电气原理图、电器布置图、电气安装接线图,功能图等,都是根据国家电气制图标准,用规定的图形符号、文字符号以及规定的画法进行绘制。 一、电气控制系统图的分类1.电气系统图和框图 电气系统图和框图是用符号或带注释的框,概略表示系统的组成、各组成部分相互关系及其主要特征的图样,比较集中地反映了所描述工程对象的规模。 2.电气原理图 电器原理图是为了便于阅读与分析控制线路,根据简单、清晰的原则,采用电器元件展开的形式绘制而成的图样。包括所有电器元件的导电器件和接线端点,但并不按照电器元件的实际布置位置绘制,也不反应电器元件的大小。其作用是便于详细了解工作原理,指导系统或设备的安装、调试、维修。电气原理图是电气控制系统图中最重要的种类之一,也是识图的难点和重点。 3.电器布置图 电器布置图主要是用来表明电气设备上所有电器元件的实际位置,为生产机械电气控制设备的制造、安装提供必要的资料。通常电器布置图与电器安装接线图组合在一起,既起到电器安装接线图的作用,又能清晰表示出电器的布置情况。 4.电气安装接线图 电气安装接线图是为了安装电气设备和电器元件进行配线或检修电器故障服务的。它是用规定的图形符号,按各电器元件相对位置绘制的实际接线图,它清晰地表示了各电器元件的相对位置和它们之间的电路连接,所以安装接线图不仅要把同一电器的各个部件画在一起,而且各个部件的布置要尽可能符合这个电器的实际情况,但对比例和尺寸没有严格要求。不但要画出控制柜内部之间的电器连接还要画出柜外电器的连接。电器安装接线图的回路标号是电器设备之间、电器元件之间、导线与导线之间的连接标记,它的文字符号和数字符号应与原理图中的标号一致。 5.功能图 功能图的作用是提供绘制电气原理图或其他有关图样的依据,它是表示理论的或理想的电路关系而不涉及实现方法的一种图。 6.电器元件明细表 电器元件明细表是把成套装置、设备中各组成元件(包括电动机)的名称、型号、规格、数量列成表格,供准备材料及维修使用。 以上简要介绍了电气系统图的分类,不同的图有不同的应用场合。 二、电气系统图中的图形符号和文字符号1.图形符号 国家电气图用符号标准GB 4728规定了电气图中图形符号的画法,该标准与国家电气制图标准GB 6980于1990年1月1日正式贯彻执行。国家标准中规定的图形符号基本与国际电工委员会(IEC)发布的有关标准相同。图形符号由符号要素、限定符号、一般符号以及常用的非电操作控制的动作符号(如机械控制符号等),根据不同的具体器件情况组合构成,如图2-1所示为限定符号或操作符号与一般符号组合成各种类型开关图形符号的例子。国家标准除给出各类电气元件的符号要素,限定符号和一般符号外,也给出了部分常用图形符号及组合图形符号示例。因为国家标准中给出的图形符号例子有限,实际使用中可通过已规定的图形符号适当进行派生。 2.文字符号 国家标准GB 7159-87《电气技术中的文字符号制订通则》规定了电气工程图的文字符号,它分为基本文字符号和辅助文字符号。 基本文字符号有单字母符号和双字母符号,单字母符号表示电气设备、装置和元器件的大类,例如K为继电器类元件这一大类;双字母符号有一个表示大类的单字母与另一表示器件某些特性的字母组成,例如KA即表示继电器类器件中的中间继电器(或电流继电器),KM表示继电器类中控制电动机的接触器。 辅助文字符号用来进一步表示电气设备、装置和元器件的功能、状态和特性。 3.三相电气设备各接点标记 如图1所示的某机床电控系统电路图中:三相交流电源引入线采用L1、L2、L3标记,保护接地用PE标记。 电源开关之后的三相交流电源主电路分别按U、V、W顺序标记。分级三相交流电源主电路采用U1、V1、W1;U2、V2、W2标记。 各电动机分支电路各接点标记,采用三相文字代号后面加数字来表示,数字中的十位数表示电动机代号,个位数字表示该支路各接点的代号,从上而下按数值大小标记。 电动机绕组首端分别用U、V、W标记,尾端分别用U'、V'、W'标记,双绕组的中点用U''、V''、W''标记。 控制电路采用阿拉伯数字进行编号,一般由三位或三位以下的数字组成。标记方法按“等电位”原则进行,在垂直绘制的电路中,一般由上而下编号,凡是被触点、电路元件等隔离的线段,都应标以不同的电路标记。 三、电气控制线路图的绘制原则前面介绍了很多电气控制系统图,根据实际应用情况及学生的实际需要,这里重点介绍电气原理图。 电气原理图的目的是便于阅读和分析控制线路,应根据结构简单、层次分明清晰的原则,采用电器元件展开形式绘制。 下面以图1所示的某机床电器原理图为例,来说明电器原理图的规定画法和应注意的事项。 1.绘制电气原理图时应遵循的原则 (1)电气原理图一般分主电路和辅助电路两部分。主电路是电气控制线路中大电流通过的部分,包括从电源到电机之间相连的电器元件,一般由组合开关、主熔断器、接触器主触点、热继电器的热元件和电动机等组成。(http://www.gdzrlj.com版权所有)辅助电路是控制线路中除主电路以外的电路,其流过的电流比较小。辅助电路包括控制电路、照明电路、信号电路和保护电路。其中控制电路
(b) 图1 某机床电控系统电路图 (a)控制电路图 (b)触点位置图 是由按钮、接触器和继电器的线圈及辅助触点、热继电器触点、保护电器触点等组成。 (2)电气原理图中所有电器元件都应采用国家标准中统一规定的图形符号和文字符号表示。 (3)电气原理图中电器元件的布局,应根据便于阅读的原则安排。主电路安排在图面左侧或上方,辅助电路安排在图面右侧或下方。无论主电路还是辅助电路,均按功能布置,尽可能按动作顺序从上到下、从左到右排列。 (4)电气原理图中,当同一电器元件的不同部件(如线圈、触点)分散在不同位置时,为了表示是同一元件,要在电器元件的不同部件处标注统一的文字符号。对于同类器件,要在其文字符号后加数字序号来区别。如两个接触器,可用KM1、KM2文字符号区别。 (5)电气原理图中,所有电器的可动部分均按没有通电或没有外力作用时的状态画出。对于继电器、接触器的触点,按其线圈不通电时的状态画出;控制器按手柄处于零位时的状态画出;对于按钮、行程开关等触点,按未受外力作用时的状态画出。 (6)电气原理图中,应尽量减少线条和避免线条交叉。各导线之间有电联系时,在导线交点处画实心圆点。根据图面布置需要,可以将图形符号旋转绘制,一般逆时针方向旋转900,但文字符号不可倒置。 2.图面区域的划分 图纸上方的1、2、3…等数字是图区的编号,它是为了便于检索电气线路,方便阅读分析从而避免遗漏设置的。图区编号也可设置在图的下方。 图区编号下方的文字表明它对应的下方元件或电路的功能,使读者能清楚地知道某个元件或某部分电路的功能,以利于理解全部电路的工作原理。 |






