提高放大器稳定性的措施

时间:2023-03-15来源:佚名

提高谐振放大器稳定性的方法主要有以下两种:一是选择提高放大器稳定性的措施较小的管子;其次通过外加电路使晶体管的反馈作用消除的过程称为单向化,单向化的方法有中和法和失配法。

1、中和法

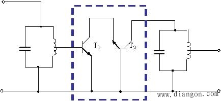
中和法的思想是通过外加元件,抵消提高放大器稳定性的措施所产生的影响,其示意图如图1所示:
提高放大器稳定性的措施
图1 中和法

在图1中,采用中和电路,调整提高放大器稳定性的措施使其产生的电流提高放大器稳定性的措施提高放大器稳定性的措施大小相同方向相反,则流入基极的净电流为0。

2、失配法

失配法的实质是降低放大器的电压增益,以确保满足稳定的要求。在实际运用中,较多的是采用共射-共基级联放大器,其等效电路如图2所示

提高放大器稳定性的措施
图2 失配法

    相关阅读

    互感器、电能表的接线大全和原理讲解,想学不会都难!

    1、电压互感器V/V接法 V/V接法原理图 V/V接法3D示意图 2、电压互感器Y/Y接法 Y/Y接法原理图 Y/Y接法3D示意图 3、电流互感器不完全星型接法 电流互感器不完全星型接法原理图 电流互感器不...
    2023-06-11
    互感器、电能表的接线大全和原理讲解,想学不会都难!

    变压器柜及电流互感器、电压互感器作用

    在这里我们介绍一下变压器柜一次系统图,变压器柜是为变压器电路回路,主要的作用是监测电流电压、在变压器故障时切断变压器回路。 变压器一般为降压变压器,10KV降压380V的降压...
    2023-03-29
    变压器柜及电流互感器、电压互感器作用

    电工证有几种?该怎么考?如何复审?

    特种作业包括:电工作业、高压电工作业、低压电工作业、防爆电气作业、焊接与热切割作业、熔化焊接与热切割作业、压力焊作业...等,具体可查询特种作业目录。 (中华人民共和国...
    2023-06-27
    电工证有几种?该怎么考?如何复审?

    关于(风机发电机)异步发电机并网的那些事

    目前在国内和国外大量采用的是交流异步发电机,其并网方法也根据电机的容量不同和控制方式不同而变化。异步发电机投入运行时,由于靠转差率来调整负荷,因此对机组的调速精度...
    2023-06-16
    关于(风机发电机)异步发电机并网的那些事

    反相输入放大器与生俱来的坑

    我们都知道反相放大器能将输入的信号反相放大,这是很基本的知识,学过电路的一般都知道。反相放大器的公式为Vout=-Vin*Rf/Rin.根据已知的公式,能很轻松的完成设计,但反相放大器...
    2023-05-18
    反相输入放大器与生俱来的坑

    热销商品

    加厚abs安全帽电工建筑工地程施工领导监理透气防砸头盔可印字V型

    这款加厚ABS安全帽专为电工、建筑工地施工人员、领导及监理设计,采用高强度ABS工程塑料,抗冲击、防砸性能优异,有效保障头部安全。帽体加厚设计,增强耐用性与防护等级...
    5.8

    欧普led筒灯3w孔灯超薄桶灯吊顶天花灯过道嵌入式洞灯客厅5w

    欧普LED筒灯是一款高品质嵌入式照明产品,适用于客厅、过道、吊顶等多种场景。采用优质LED光源,提供3W和5W两种功率选择,光线柔和均匀,显色指数高,有效还原真实色彩。超...
    7.45

    水口钳高硬度模型剪钳电子钳工业级口水剪斜嘴钳偏口斜口专用钳子

    水口钳高硬度模型剪钳是一款工业级精密工具,专为电子、模型制作及精细作业设计。采用优质高碳钢材质,经热处理工艺打造,具备卓越的硬度和耐磨性,可轻松剪切金属引脚、...
    4.8

    170电子剪钳II 如意斜口钳 工业斜嘴钳水口钳 模型剪塑胶钳尖嘴钳

    170电子剪钳II如意斜口钳是一款专业级精密工具,集工业斜嘴钳、水口钳、模型剪、塑胶钳与尖嘴钳功能于一体,适用于电子维修、模型制作、手工艺及精密作业。其采用优...
    4.5

    安全帽国标工地加厚施工领导透气安全头盔建筑工程监理免费印字

    本款安全帽严格遵循国家GB 2811-2019标准,专为建筑工程、工地施工及监理人员设计。采用高强度ABS工程塑料,加厚壳体有效抗冲击,保障头部安全。帽体轻盈透气,内置可调...
    10

    网站栏目