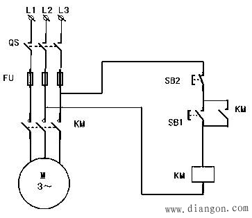
电气控制电路图一般分为主电路(或称一次接线)和辅助电路(或称二次接线)两部分。 主电路一般用粗实线画出,以区别于辅助电路。辅助电路由继电器和接触器的线圈、继电器的触点、接触器的辅助触点、按钮、信号灯、小型变压器等电气元件组成。一般用细实线画出。 (1)三相交流电源引入线采用L1、L2,L3标记。 (2)电源开关之后的三相交流电源主电路分别按U,V、W顺序标记。 (3)分级三相交流电源主电路采用在三相文字代号U、V、W的前边加上阿拉伯字母1、2、3等来标记,如1U,1V,1W等。 (4)电动机各分支电路接点标记采用三相文字代号后面加数字来表示,数字中的个位数表示电动机的代号,十位数字表示该支路各接点代号,从上到下按数值大小顺序标记。
 (5)电动机绕组首端分别用U、V、W标记,尾端则用U,V,W,标记。 (6)控制电路采用阿拉伯数字编号,一般由三位或三位以下的数字组成。标注方法按“等电位”原则进行,在垂直绘制的电路中,标号顺序一般由上而下编号,凡是被线圈、绕组、触点或电阻、电容等元件所间隔的线段,都应标以不同的电路标号。
|