三相SPWM控制原理
时间:2023-03-15来源:佚名
|
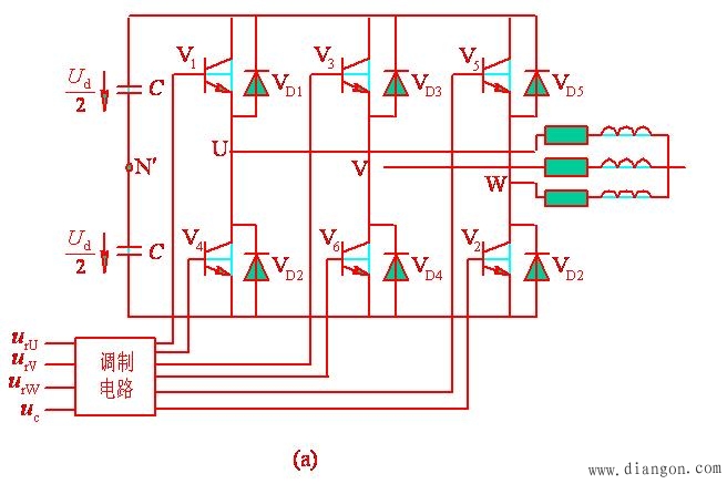
在PWM型逆变电路中,使用最多的是图1(a)所示的三相桥式逆变电路,其控制方式一般都采用双极性方式。U、V和W三相的PWM控制通常公用一个三角波载波uc,三相调制信号urU、urV和urW的相位依次相差120°。U、V和W各相功率开关器件的控制规律相同,现以U相为例来说明。当urU>uc时,给上桥臂晶体管V1以导通信号,给下桥臂晶体管V4以关断信号,则U相相对于直流电源假想中点N′的输出电压uUN′=Ud/2。当urU<uc时,给V4以导通信号,给V1以关断信号,则uUN′=Ud/2。
V1和V4的驱动信号始终是互补的。当给V1( V4)加导通信号时,可能是 V1( V4)导通,也可能二极管VD1(VD4)续流导通,这要由感性负载中原来电流的方向和大小来决定,和单相桥式逆变电路双极性SPWM控制时的情况相同。V相和W相的控制方式和U相相同。uUN′、uVN′和uWN′的波形如图1(b)所示。可以看出,这些波形都只有±Ud/2两种电平。像这种逆变电路相电压(uUN′、uVN′和uWN′)只能输出两种电平的三相桥式电路无法实现单极性控制。
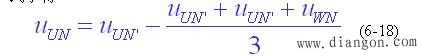
图中线电压uUV的波形可由uUN′-uVN′得出。可以看出,当臂1和6导通时,uUV=Ud,当臂3和4导通时,uUV=-Ud,当臂1和3或4和6导通时,uUV=0,因此逆变器输出线电压由 Ud、-Ud和零三种电平构成。负载相电压uUN可由下式求得
从图中可以看出,它由(±2/3)Ud,(±1/3)Ud和零共5种电平组成。
图1 三相SPWM逆变电路及波形
图1 三相SPWM逆变电路及波形
在双极性SPWM控制方式中,同一相上、下两个臂的驱动信号都是互补的。但实际上为了防止上、下两个臂直通而造成短路,在给一个臂施加关断信号后,再延迟Δt时间,才给另一个臂施加导通信号。延迟时间的长短主要由功率开关器件的关断时间决定。这个延迟时间将会给输出的PWM波形带来影响,使其偏离正弦波。 |








