三相异步电动机的制动控制电路
时间:2023-03-15来源:佚名
|
交流异步电动机定子绕组脱离电源后,由于系统惯性作用,转子需经一段时间才能停止转动,这往往不满足某些机械的工艺要求,也影响生产效率的提高,并造成运动部件停位不准,工作不安全,因此应对拖动电动机采取有效的制动措施。 三相异步电动机的制动方法:机械制动和电气制动。其中电气制动方法又包括反接制动、能耗制动、发电制动等。 1、反接制动控制电路:反接制动是利用改变电动机电源相序,使定子绕组产生的旋转磁场与转子旋转方向相反,因而产生制动力矩的一种制动方法。应注意的是,当电动机转速接近零时,必须立即断开电源,否则电动机会反向旋转。 另外,由于反接制动电流较大,制动时需在定子回路中串入电阻以限制制动电流。反接制动电阻的接法有两种:对称电阻接法和不对称电阻接法,如下图所示。一般制动电阻采用对称接法,即三相分别串接相同的制动电阻。
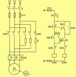
2、能耗制动控制电路 能耗制动控制电路:三相异步电动机能耗制动时,切断定子绕组的交流电源后,在定于绕组任意两相通入直流电流形成一固定磁场,与旋转着的转子中的感应电流相互作用产生制动力矩。制动结束必须及时切除直流电源。
制动作用强弱与通入直流电流的大小和电动机的转速有关,在同样的转速下电流越大制动作用越强,电流一定时转速越高制动力矩越大。一般取直流电流为电动机空载电流的3~4倍,过大会使定子过热。 可调节整流器输出端的可变电阻RP,得到合适的制动电流。 |












