可变磁阻式电感传感器
时间:2023-03-15来源:佚名
|
1. 可变磁阻式电感传感器
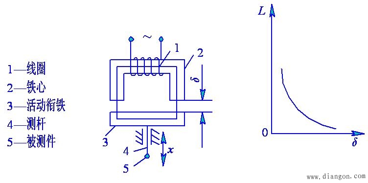
典型的可变磁阻式电感传感器的结构如图1所示,它主要由线圈、铁心和活动衔铁组成。 ![]() 图1 可变磁阻式电感传感器 当线圈通以激磁电流时,其自感L与磁路的总磁阻Rm有关,即 ![]() 式中: W——线圈匝数;
Rm——总磁阻。
如果空气隙δ较小,而且不考虑磁路的损失,则总磁阻为 ![]() 式中: ;
L——铁心导磁长度(m);
μ——铁心导磁率(H/m);
A——铁心导磁截面积(m2),
A=a×b;
δ——空气隙(m), δ=δ 0 Δδ;
μ0——空气磁导率(H/m),μ0=2π×10-7;
A0——空气隙导磁截面积(m2)。 ![]()
图2为差动型磁阻式传感器,它由两个相同的线圈、铁心及活动衔铁组成。 图2 可变磁阻差动式传感器 可变磁阻式传感器还可以做成图3所示的可变磁阻面积的形式。
![]() 图3 可变磁阻面积型电感传感器 如图4所示,在可变磁阻螺管线圈中插入一个活动衔铁,当活动衔铁在线圈中运动时,磁阻将变化,导致自感L的变化。 ![]() 图4 可变磁阻螺管型传感器 |













