电动机正反转控制电路原理
时间:2023-03-15来源:佚名
|
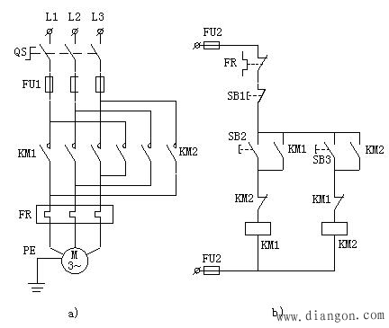
电动机正-停-反控制主电路中KM1主触头闭合、KM2主触头断开时,三相电源线L1、L2、L3分别接入定子绕组的U、V、W接线端子上,电动机正转;而当KM1主触头断开、KM2主触头闭合时,三相电源线中L1、L3换接至定子绕组的W、U接线端子上,电动机反转。
操作时按下SB2,KM1线圈通电,并通过KM1动合辅助触头自锁。主电路中KM1主触头闭合、KM2主触头断开,电动机正转。 |






