PLC基本的电气控制
时间:2023-03-15来源:佚名
|
对于各种开关量控制系统,一般可分为按联锁控制和按变化参量控制。 ⒈ 联锁控制:用反映某一运动的联锁信号(触点)去控制另一运动相应的电路,实现两个运动的相互制约,达到联锁控制的要求。其关键是正确地选择和使用联锁信号。 ⒉ 变化参量控制:用反映运动状态的物理量(如行程、时间、速度、数字、压力、温度等),来实现生产过程的控制。这种控制方式常用于生产过程的自动化控制中。 一、联锁控制 1.不能同时发生运动间的联锁控制 例:电动机正反转控制
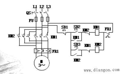
2.互为条件运动的联锁控制 例:两台电动机顺序起动 ▲考虑FR触点的接法 1)常闭触点; 2)触点外接。
3.不同控制方式运动间的联锁控制 例:集中控制与分散控制
二、按变化参量控制 1.行程控制 例:自动限位控制
2.时间控制 例:Y-Δ减压起动 考虑定时器的调整
3.速度控制 例:串电阻减压起动和反接制动
4.计数控制 ① 当状态3有效时,计数器计数(减1),若计数次数未到设定值,C001=0,返回到状态1,继续循环; ② 当状态3有效时,计数器计数(减1),若计数次数到达设定值,C001=1,则跳出循环,转到状态4。
|
























