减小不平衡电流的措施
|
(1)减小稳态情况下的不平衡电流 变压器差动保护各侧用的电流互感器,选用变压器差动保护专用的D级电流互感器;当通过外部最大稳态短路电流时,差动保护回路的二次负荷要能满足10%误差的要求。 (2)减小电流互感器的二次负荷 这实际上相当于减小二次侧的端电压,相应地减少电流互感器的励磁电流。减小二次负荷的常用办法有:减小控制电缆的电阻(适当增大导线截面,尽量缩短控制电缆长度);采用弱电控制用的电流互感器(二次额定电流为lA)等。 (3)采用带小气隙的电流互感器 这种电流互感器铁芯的剩磁较小,在一次侧电流较大的情况下,电流互感器不容易饱和。因而励磁电流较小,有利于减小不平衡电流。同时也改善了电流互感器的暂态特性。 (4)减小变压器两侧电流相位不同而产生的不平衡电流采用相位补偿 Y,d11接线变压器差动保护接线图和相量图
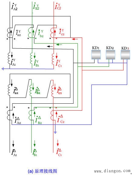
①采用适当的接线进行相位补偿法
如变压器为Y,d11接线其相位补偿的方法是将变压器星形侧的电流互感器接成三角形,将变压器三角形侧的电流互感器接成星形,如图 (a)所示,以补偿30°的相位差。图中:
②数值补偿 变压器星形侧电流互感器变比:
变压器三角形侧电流互感器变比:
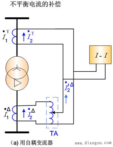
(5)减小电流互感器由于计算变比与标准变比不同而引起的不平衡电流采用数值补偿 ①采用自耦变流器。 ②利用BCH型差动继电器中的平衡线圈。 ③在变压器微机保护的软件中采用补偿系数使差动回路的不平衡电流为最小。
(6)由变压器两侧电流互感器型号不同而产生的不平衡电流在差动保护的整定计算中加以考虑 (7)由变压器带负荷调整分接头而产生的不平衡电流在变压器差动保护的整定计算中考虑 在稳态情况下,变压器的差动保护的不平衡电流可由下式决定:
(8)减小暂态过程中非周期分量电流的影响 ①差动保护采用具有速饱和特性的中间变流器。 ②选用带制动特性的差动继电器或间断角原理的差动继电器等,利用其它方法来解决暂态过程中非周期分量电流的影响问题。 |


为星形侧的一次电流,
为三角形侧的一次电流,其相位关系如图 (b)所示。采用相位补偿接线后,变压器星形侧电流互感器二次回路侧差动臂中的电流分别为
、 、
,它们刚好与三角形侧电流互感器二次回路中的电流
同相位,如图 (c)所示。这样,差回路中两侧的电流的相位相同。











