中性点直接接地变压器的零序电流保护
时间:2023-03-15来源:佚名
|
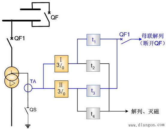
1.零序电流保护的配置 (1)中性点直接接地运行变压器零序电流保护原理接线
(2)中性点直接接地运行变压器零序电流保护工作原理 零序电流保护I段作为变压器及母线的接地故障后备保护,其起动电流和延时t1应与相邻元件单相接地保护I段相配合,通常以较短延时t1=0.5~1.0S动作于母线解列;以较长的延时t2=t1 Δt有选择地动作于断开变压器高压侧断路器。 零序电流保护II段作为引出线接地故障的后备保护,其动作电流和延时t3应与相邻元件接地后备段相配合。通常t3应比相邻元件零序保护后备段最大延时大一个Δt,以断开母联断路器或分段断路器,t4=t3 Δt动作于断开变压器高压侧断路器。 2.零序电流保护的整定计算 (1)零序Ⅰ段起动电流按与相邻元件零序电流Ⅰ段配合整定,即:
(2)零序电流Ⅰ段的动作时限为: (3)零序电流Ⅱ段的起动电流按与相邻元件零序后备保护动作电流配合整定,即:
(4)零序电流Ⅱ段的动作时限为: 3.变压器高压侧断路器辅助接点QF作用 防止变压器与系统并列之前,在变压器高压侧发生单相接地而误将母线联络断路器断开。 |









