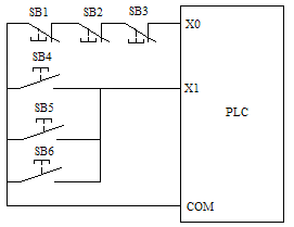
一、减少输入点数的方法 1 . 分时分组输入 自动程序和手动程序不会同时执行,自动和手动这两种工作方式分别使用的输入量可以分成两组输入,共用同一个端子,如下图 所示 。

图 分时分组输入
2. 输入触点的合并 如果某些外部 输入信号总是以某种“与或非”组合的整体形式出现在梯形图中,可以将它们对应的触点在 plc 外部串、并联后作为一个整体接到 PLC 的输入端子上,只占 PLC 的一个输入点。 例如某负载可以在 3 处起动 / 停止,可以将 3 个起动信号并联,将 3 个停止信号串联,分别送给 PLC 的两个输入点,如下图所示。

图 输入触点的合并
3. 将信号设置在PLC之外 系统的某些输入信号,例如手动操作按钮、保护动作后要手动复位的电动机热继电器 FR 的常闭触点提供的信号,可以设置 在 PLC 外部的硬件电路中,如下图所示。

图 将信号设在PLC之外
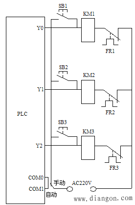
二、减少输出点数的方法 1. 减少所需数字量输出点数的方法 在 PLC 的输出功率允许下,通 / 断状态完全相同的多个负载并联后,可以共用一个输出点,通过外部的或 PLC 控制的转换开关的切换,一个输出点可以控制两个或多个不同时工作的负载。 在需要用指示灯显示 PLC 驱动的负载的状态时,可以将指示灯与负载并联,并联时指示灯与负载的额定电压相同,总电流不应超过允许的值。 可以用接触器的辅助触点来实现 PLC 外部的硬件联锁。 系统中某些相对独立或比较简单的部分,可以不进 PLC ,用继电器电路来控制,这样可以减少所需的 PLC 的输入、输出点数。 2. 减少数字显示所需输出点数的方法 如果用数字量输出点来控 制多位 LED 七段显示器,所需的输出点是很多的。 在下图所示电路中,用具有锁存译码驱动功能的芯片 CD4513 驱动共阴极 LED 七段显示器。

图 PLC 的数字显示电路 |