多通道模拟信号输入
时间:2023-03-15来源:佚名
|
1.常用多路模拟开关集成电路
1)单端8通道
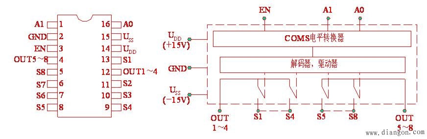
AD7501是单片集成的CMOS 8选1多路模拟开关,每次只选中8个输入端的一路与公共端接通,选通通道是根据输入地址编码而得到的。所有数字量输入均可用TTL或CMOS电路。图1为AD7501的外引脚图和原理图
图1 AD7501的外引脚原理图。
AD7501的主要参数有:
(1) 导通电阻Ron的典型值为170(-10 V≤VS≤10 V),导通电阻温漂为0.5%/℃,路间偏差为4%。
(2) 输入电容: 3 pF。
(3) 开关时间: ton=0.8 μs, toff=0.8 μs。
(4) 极限电源电压: UDD= 17 V,USS=-17V。 2)单端16通道
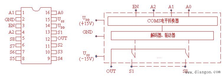
AD7506为单端16选1多路模拟开关。
图2为AD7506的外引脚图和原理图。
图2AD7506的外引脚图和原理图
(1) 导通电阻Ron=300。导通电阻温漂为0.5%/℃,路间偏差为4%。
(2) 开关时间:ton=0.8 μs, toff=0.8 μs。
(3) 极限电源电压: UDD=+17 V,USS=-17V。 3)差动4通道
AD7502是差动4通道多路模拟开关。其外引脚和原理图如图3所示。
图3AD7502的外引脚图和原理图
2.多路模拟开关应用举例
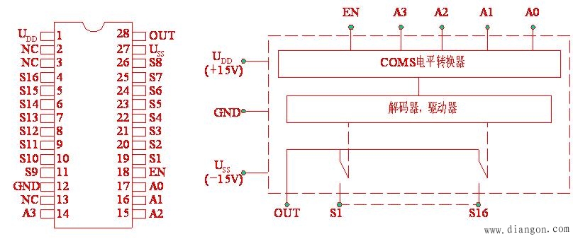
在许多机电一体化产品中,都需要用到多路模拟量输入情况,此时可采用多路模拟开关来实现。 图4为利用AD7501组成的8路模拟量输入通道。
图4AD7501 8路输入
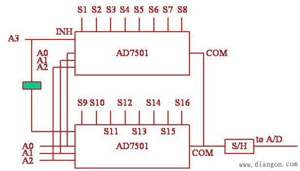
对于16路输入情况,可使用两片AD7501组合而成,见图5。
图5 两片AD7501组成16路输入
3. 多路开关选用时的注意事项
(1) 对于传输信号电平较低的场合,可选用低压型多路模拟开关,这时必须在电路中有严格的抗干扰措施,一般情况下选用常用的高压型。
(2)对于要求传输精度高而信号变化慢的场合,如利用铂电阻测量缓变温度场,就可选用机械触点式开关。但在输入通道较多的场合,应考虑其体积问题。
(3)在切换速度要求高、路数多的情况下,宜选用多路模拟开关。在选用时应尽可能根据通道量选取单片模拟开关集成电路,因为在这种情况下每路特性参数可基本一致; 在使用多片组合时,也宜选用同一型号的芯片以尽可能使每个通道的特性一致。 (4)在选择多路模拟开关的速度时,要考虑到其后级采样保持电路和A/D的速度,只需略大于它们的速度即可,不必一味追求高速。
(5)在使用高精度采样/保持A/D进行精密数据采集和测量时,需考虑模拟开关的传输精度问题,尤其需注意模拟开关漂移特性。因为如果性能稳定,即使开关导通电阻较大,也可采取补偿措施来消除影响;但如果阻值和漏电流等漂移很大,将会大大影响测量精度。 |







