单侧电源电网相间短路的电流保护
|
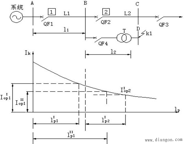
单侧电源电网的电流保护装设于线路的电源侧,根据整定原则的不同,电流保护可分为无时限电流速断保护、带时限电流速断保护和定时限过流保护三种。 最大短路电流:在最大运行方式下,发生三相短路时,短路电流最大。最小短路电流:在最小运行方式下,发生二相短路时,短路电流最小。 一、无时限电流速断保护简称:"电流速断保护"或"I段电流保护"。 1.基本原理反应于电流增大而瞬时动作的电流保护。保护的动作电流按躲过下一线路出口处(本线路的末端、下一线路的始端)最大短路电流整定,满足选择性。K1与K2的短路电流近似,该处短路时,保护1不应动作。 保护设置见图1。
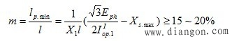
图1 无时限电流速断保护 2.整定计算(1)动作电流:按照躲过最大运行方式下被保护线路末端三相短路电流 (2)动作时间: (3)灵敏度:应满足: 无时限电流速断保护的保护范围为本线路全长的80%左右。其选择性由动作电流保证,本线路故障时,其它线路装设的无时限电流速断保护不会误动作。 3.无时限电流速断保护的接线 无时限电流速断保护的接线见图4。
图4 无时限电流速断保护的接线 二、带时限电流速断保护简称:"Ⅱ段电流保护" 1.基本原理由于无时限电流速断保护不能保护线路全长,增设第二套保护 。保护范围:一般延伸至下一线路,但不应超过下一线路I段或II段电流保护的范围。 带时限比无时限电流速断保护大一个或两个时限级差Δt,才有选择性动作。即动作电流值要躲过下一线路(相邻元件)I段或II段电流保护的动作值。 带时限电流速断保护见图5。
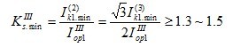
2.整定计算(1)动作电流:按照与相邻线路的电流I段 或是与考虑与相邻变压器的速断保护配合的原则整定 取其中最大者考虑动作电流 (2)动作时间: (3)灵敏度:计算灵敏度系数 要求 限时电流速断保护的保护范围为本线路全长并延伸到相邻线路(元件)无时限保护动作区内,但是绝对不应超出相邻线路(元件)无时限保护动作区。 3.带时限电流速断保护的接线带时限电流速断保护的接线见图6。
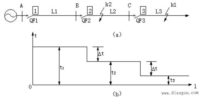
图6 带时限电流速断保护的接线 (1)为本线路无时限电流速断保护的后备保护(近后备)。 (2)相邻线路上的动作范围只是线路的一部分,不能作为相邻线路的后备保护(远后备)。 (3)需要装设一套过电流保护(电流III段)作为本线路的近后备保护以及相邻线路的远后备保护。 三、定时限过流保护(过电流或电流III段)1.基本原理动作电流按躲过最大负荷电流(正常运行)整定,并以时限来保证动作选择性。不仅能保护本线路全长,而且保护范围延伸到相邻线路末端。不仅可作本级线路的近后备保护,还可以作相邻线路的远后备保护。 定时限过电流保护的配置和时限特性,见图7。
图7 定时限过电流保护的配置和时限特性 2.整定计算(1)动作电流:保证被保护元件通过最大负荷电流时,过电流保护不误动,并且在外部故障切除后能够可靠返回 (2)动作时间:按照阶梯原则整定 (3)灵敏度:计算灵敏度系数 近后备: 远后备: 因为按照负荷电流整定,定时限过电流保护的保护范围将远远超出本线路及相邻线路。 四、三段式电流保护的构成原理接线图,见图8。
图8 原理接线图
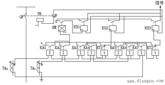
图9 展开接线图 五、反时限过电流保护反时限过电流保护见图10。
图10 反时限过电流保护 动作时限与被保护线路中的短路电流大小有关。短路电流越大,t就越小。主要靠反时限过电流继电器实现。 |
整定:









