搞好工厂供电工作,不仅对电力工业是一种促进,而且对发展工业生产、实现工业现代化也具有十分重要的意义。 工厂供电系统是电力系统的一个组成部分,必然受到电力系统工况的影响和制约。但工厂供电系统与电力系统又有不同,它要反映工厂用户的特点和要求。因此,供电系统的主接线确定、设备选择、负荷计算、短路电流计算及保护选择都应有其特点。 一、工厂供电的基本要求 1.安全:不应发生人身事故和设备事故。应有其特点。 2.可靠:要满足各种等级用电负荷的可靠性要求。 3.优质:应满足用户对电压、频率、波形不畸变等电能质量指标的要求。 4.经济:接线要简单,投资要少,运行维持费用要低。 一级负荷:因突然停电会造成设备损坏或造成人身伤亡,因此必须有两个独立电源供电。 二级负荷:为突然停电会造成经济上的较大损失或会造成社会秩序的混乱,因此要求必须双回路供电。 三级负荷:对供电电源不作特殊要求。 工厂供电系统结构见图1。
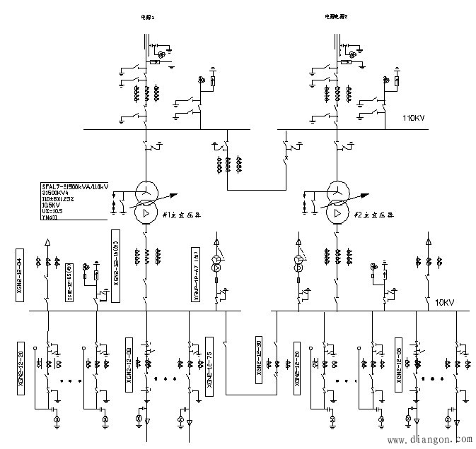
 图1 工厂供电系统结构图 二、35~110kV变电所电气主接线典型方案: 35~110kV变电所电气主接线典型方案见图2。
 图2 35·110KV变电所电气主接线图 说明: 1.变压器高压侧(110kV)采用内桥接线(也可采用线路变压器组或单母分段接线)。低压侧采用单母分段(出线回路少时,也可采用单母线接线)。 2.两台变压器都是采用有载调压变压器(110/ 10kV);可以互为备用。 3.两台所用变压器(10/ 0.4kV)分别接在10kV母线的两段上,供本所用电,并互为备用。 4.两电压级母线上和110kV线路上均设有避雷器。 5.配置一定的电压互感器和电流互感器。 6.110kV线路采用二回架空电源进线,同时供电;10kV出线既有架空出线也有电缆出线。 7.110kV采用屋外配电装置,10kV侧采用屋内成套配电装置。 8.10kV母线的两段上还应配置无功补偿装置 三、10kV配电所电气主接线典型方案: 10kV配电所电气主接线典型方案见图3。
 图3 10KV配电所电气主接线典型方案图
|