XA6132铣床电气控制原理分析
时间:2023-03-15来源:佚名
|
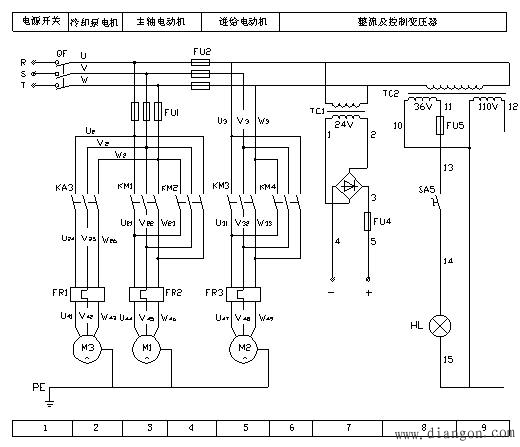
该机床共有三台电动机:M1是主轴电动机,M2是工作台进给电动机,M3为冷却泵电动机。
主轴电动机M1由正、反接触器KM1、KM2实现正反向运行直接启动,由热继电器FR2实现长期过载保护。
进给电动机M2由接触器KM3、KM4实现正反运行直接启动,由热继电器FR3实现长期过载保护。 冷却泵电动机M3由继电器KA3实现直接起动,由热继电器FR1实现长期过载保护。 1.主轴电动机起动控制
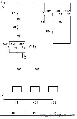
电源开关QF闭合,换向开关SA1扳到主轴所需旋转方向,然后按下起动按钮11区的SB3或SB4使继电器KA1吸合并自锁,因12区的动合触头KA1闭合,接触器KM1或KM2通电吸合。主电路中的KM1或KM2主触头闭合,电动机M1正转或反转直接起动,且通过控制线路中12区和13区的动断触头KM1和KM2实现互锁。此时18区中的动断触头KM1或KM2断开,主轴制动电磁摩擦离合器控制线圈YB失电断开,制动电磁摩擦离合器的摩擦片处于松开状态。由于14区的动合触头KA1闭合,为KM3、KM4的通电吸合作好了准备。 2.主轴电动机停止与制动 按下10区的SB1或SB2,使KM1或KM2失电释放,主电路中的电动机M1断开三相电源。由于18区的动断触头KM1与KM2处于闭合状态,SB1或SB2闭合,使YB通电吸合,主轴制动电磁摩擦离合器的摩擦片处于压紧制动状态,使主轴电动机迅速制动而停转。当松开SB1或SB2时,YB线圈失电,离合器的摩擦片松开,制动结束。 3.主轴换刀时的制动 将10区的SA2扳到“换刀”位,此时SA2处于断开状态,主电路中M1断电,因此时18区的SA2处于闭合状态,所以M1处于制动状态而迅速停转。换刀结束后,将10区的SA2扳到“加工”位,此时SA2处于闭合状态,解除了主轴的制动状态。 4.主轴变速冲动控制 通过拉出机床上的变速手柄再推回原来位置这一过程实现主轴的变速冲动。 若M1处在运转状态中,拉出变速手柄时,通过控制凸轮瞬时压下冲动行程开关SQ5,首先使12区的动断触头SQ5断开,线圈KM1或KM2就会因失电而释放,同时18区的YB处于吸合状态,主电路中M1迅速停转。 然后处于11区的SQ5动合触头瞬时闭合,再使KM1或KM2接通,M1作瞬时点动,此时机械上的联动机构操纵齿轮间进行啮合更换。当SQ5不再受压时,11区的动合触头SQ5恢复断开,12区的SQ5恢复接通,主轴以新的转速旋转。 若M1处于停转状态,则拉出变速手柄时,M1产生瞬时点动,待齿轮间啮合更换结束后,SQ5恢复原来到状态,再次起动M1,主轴将在新的转速下旋转。 工作台上下垂直、左右纵向、前后横向6个运动,由行程开关SQ1、SQ2、SQ3、SQ4,通过正反转接触器KM1、KM2控制电动机M2实现。
1.水平工作台进给 以工作台右进为例,将纵向进给操作手柄扳到“右”位,通过机械上的联动机构联接纵向进给离合器,此时16区的行程开关SQ1闭合,使KM3吸合,主电路中主触头KM3吸合,电动机M2正向起动运转,拖动工作台向右进给。 向右进给结束后,将手柄由右扳到“中”位置,行程开关SQ1不再受压而复位断开,KM3失电释放,M2停转,工作台向右进给停止。 纵向操作手柄由“中”扳到“左”位时,在机械挂档的同时,通过行程SQ2,实现M2反转,拖动工作台向左进给运动。 2.水平工作台向前与向下进给 通过垂直与横向进给十字操作手柄实现。当十字操作手柄扳到“前”位,在机械挂档的同时压下行程开关SQ3,使KM3线圈吸合,主电路中电动机M2正向起动运转,拖动工作台向前进给。向前进给结束,将手柄扳回“中”位,SQ3不再受压而复位,KM3失电释放,M2停转,工作台向前进给停止。向下进给时将手柄扳到“下”位,其余与向前进给完全相同。 3.水平工作台向后与向上进给 当十字操作手柄扳到“后”位,在机械挂档的同时压下行程开关SQ4,使KM4线圈吸合,主电路中电动机M2反向起动运转,拖动工作台向后进给。向后结束后,将手柄扳回“中”位,SQ4不再受压而复位,KM4失电释放,M2停转,工作台向后进给停止。向上进给时将手柄扳到“上”位,其余与向后进给完全相同。 4.工作台变速冲动控制 进给变速冲动在主轴起动后,将纵向进给操作手柄、垂直与横向进给操作手柄均置于“中”位时才可进行。首先将进给变换的蘑菇形操作手柄拉出并转动手柄将主刻度盘的进给指标对准指针,再把蘑菇形手柄向前拉到极限位置,然后反向推回原位。推回过程中通过变速孔盘将推动16区的行程开关的动断触头SQ6断开,15区的行程开并动合触头SQ6闭合,此时25?SQ2?SQ1?32?SQ3?SQ4?30?SQ6?33? KM4?34支路接通,使KM3瞬时接通吸合。同时机械联动机构实现齿轮啮合变换,然后SQ6不再受压而恢复到原来的状态,再次进行进给运动时,工作台将按新的进给速度运动。 5.进给方向快速移动控制 主轴处于运转状态时,将进给操作手柄扳到所需位置,则工作台开始按手柄所选方向以选定的进给速度运动。此时按下移动按钮SB5(14区)或SB6(15区),则线圈KA吸合,19区的电磁离合器YC1线圈断电释放,工作台的工步进给运动停止。但由于15区的动合触头KA2闭合,导致20区的YC2吸合,工作台改为快速进给。松开SB5或SB6,则快速进给运动立即停止,工作台仍以原进给速度运动。 1.冷却泵电动机
SA3转换开关置于“开”位时,KA3线圈通电,冷却泵主电路中KA3主触头闭合,冷却泵电动机M3起动供液。而SA3置于“关”位时,M3停止供液。 2.照明线路 机床局部照明由TC变压器供给36V安全电压,转换开关SA4控制照明灯。 3.电气元件符号与功能 XA6132铣床各电气元件符号及功能说明见表。 表XA6132铣床电气元件符号及其功能
|







