三相四线有功电能表的正确接线
时间:2023-03-15来源:佚名
|
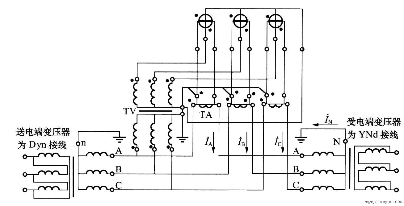
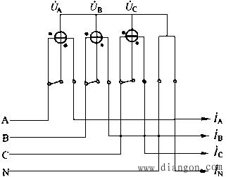
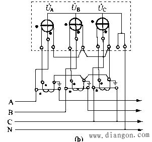
常见的三相四线有功电能表型号有DT1、DT2、DT10、DT864等,它们的共同特点是有三个规格相同的驱动元件。 (1)直通式。其接线方式是:第一元件接入 图1 直接接入式三相四线有功电能表接线图 (2) 带电流互感器式。高供低量或低供低量部分客户采用三相四线制供电,负载一般包含动力和照明设备,其线路特点是低电压,大电流。若每相超过100A,就必须接入电流互感器,如图2为电流互感器的两种接入方式。 图2 三相四线有功电能表带TA的正确接线方式 (a)分表接线方式 (b)总线接线方式 其中,(a)图为分表接线方式,一般用于低供低量三相四线供电客户。特点是电压低(3×380V/220V),电流大,需带三台电流互感器。该计量装置后面再无其他客户分表。(b)图为总接线方式,一般用于高供低量三相四线供电线路,即变压器低压侧计量装置的接线,该套计量装置的后面有许多客户,即还有许多分表。注意:无论是分表还是总表,三相四线电能表的中线一定要接牢,并且尽量减少接头处的接触电阻,以保证计量准确度。 电压、电流互感器式。对于中性点直接接地的高压三相系统,三相有功电能的计量必须采用三相四线有功电能表并按图3接线,才能保证准确计量。 图3 三相四线有功电能表带TA、TV接线图 |
;第二元件接入
;第三元件接入
,如图1所示,则反映的功率就是三相负载消耗的有功功率,电能表的读数就是负载消耗的有功电能表。









