本文学习由电器元件组成的鼠笼式三相交流异步电动机启动、制动、正反转控制电路的基本原理;降压起动控制电路;制动控制电路;变极调速。绕线式异步电动机的控制电路;直流电动机基本控制电路。 领会常用控制电路的设计思想,学会分析基础电路的工作原理,熟记起停、正反转、两地控制等电路的电路结构及特点,并要求能够熟练画出这些电路。 电气线路图是指描述控制线路接线关系和原理的图纸,分为电气原理图和电气安装接线图。 电气原理图的分类: 主:强电流通过部分 辅:控制、照明、指示 电气原理图的绘制规则: 主:粗实线 辅:细实线 电气符号画法: 一般垂直放置,也可以逆时针转动90水平放置。图中电器元件的状态为常态(未压动、未通电……) 1)启动控制线路及其保护装置

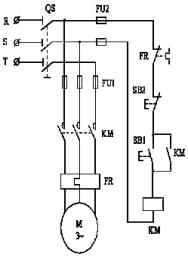
手动控制操作方法: 手动合上QS,电动机M工作;手动切断QS,电动机M停止工作。 电路保护措施: FU——短路保护 电路优点:控制方法简单、经济、实用。 电路缺点:保护不完善,操作不方便 1) 自动启停控制 主电路:
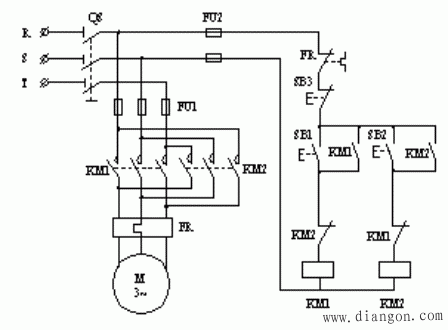
 三相电源经QS、FU1、KM的主触点,FR的热元件到电动机三相定子绕组。 控制电路: 用两个控制按钮,控制接触器KM线图的通、断电,从而控制电动机(M)启动和停止。 起动过程分析: 合上QS,按动起动按钮SB1—>KM线圈通电并自锁->M通电工作。 KM自锁触点,是指与SB1并联的常开辅助触点,其作用是当按钮SB1闭合后又断开,KM的通电状态保持不变,称为通电状态的自我锁定。 停止按钮SB2,用于切断KM线圈电流并打开自锁电路,使主回路的电动机M定子绕组断电停止工作。 起停控制电路的保护分析 过载保护: 热继电器FR用于电动机过载时,其在控制电路的常闭触点打开,接触器KM线圈断电,使电动机M停止工作。排除过载故障后,手动使其复位,控制电路可以重新工作。 短路保护: 熔断器组FU1用于主电路的短路保护,FU2用于控制电路的短路保护。 零压保护: 电路失电复上电,不操作起动按钮,KM线圈不会再次自行通电,电动机不会自行起动。 2) 正反转控制电路 正反转实现的方法:改变电源相序(两根火线对调)。 正反转基本控制电路:
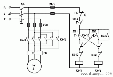
 主电路: KM1主触点接通正相序电源—M正转。 KM2主触点接通反相序电源—M反转。 控制电路: SB1控制正转,SB2控制反转,SB3用于停止控制。 KM的常闭触点用于互锁控制,即使在接触器故障情况下,也可以保证不发生主电路短路现象。 3) 按钮联锁功能 使用按钮连锁,首先使用和常开触点联动的常闭触点的断开对方支路线圈电流,再利用常开触点的闭合接通通电线圈电流。可以很方便地使电动机由正转进入反转,或由反转进入正转。
 5)点动(在长动基础上的点动)
 用途:适用于电动机短时间调整的操作。 ① 按钮操作:SB3常闭触点用来切断自锁电路实现点动。 ② 转换开关控制:SA合上,有自锁电路,SB2为长动操作按钮;SA断开,无自锁电路,SB2为点动操作按钮。 ③ 中间继电器KA控制:按动SB2、KA通电自锁,KM线圈通电,此状态为长动;按动SB3、KM线圈通电,但无自锁电路,为点动操作。 6)两台电动机的互锁
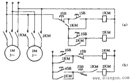
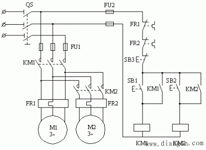
 (a) 工作互锁,可同时停车 (b) 工作互锁,可单独停车
 (c) 工作、停车都有互锁 (d) 两电动机不能同时工作的互锁 7)顺序(程序)控制线路 ① 主电路顺序控制: KM2串在KM1触点下,故只有M1工作后M2才有可能工作。
|