纵向零序电压式匝间保护
时间:2023-03-15来源:佚名
|
发电机纵向零序电压式匝间保护,是发电机同相同分支匝间短路及同相不同分支之间匝间短路的主保护。 1. 构成原理 该保护反映的是发电机纵向零序电压的基波分量,并用其三次谐波增量作为制动量。
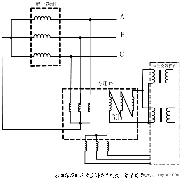
发电机正常运行或相间短路时,无零序电压。定子绕组单相接地时,故障相对地电压等于零,中性点对地电压为相电压,三相定子绕组对中性点电压仍然对称,不出现机端对绕组中性点的零序电压。当定子绕组发生匝间短路时,便出现机端三相对中性点电压不对称。例如图所示的A相绕组发生匝间短路,设被短路的绕组匝数与每相总绕组匝数之比为α,则故障相电动势为EAN=(1-α)EA,而末发生匝间短路的其它两相电动势不变。因此,出现了机端对中性点的零序序电压为纵向零序电压取自机端专用TV的开口三角输出端。TV应全绝缘,其一次中性点不允许接地,而是通过高压电缆与发电机中性点联接起来。 零序电压基波通道与三次谐波通道相互独立,并采用硬件滤波回路和软件付氏滤波算法滤去零序电压基波通道的三次谐波分量,滤去三次谐波电压通道的基波分量,保护的交流接入回路如下图所示。
2. TV断线闭锁与功率方向闭锁 为防止专用TV一次断线时保护误动,引入TV断线闭锁;另外,为防止区外故障或其他原因(例如,专用TV回路有问题)产生的纵向零序电压使保护误动,引入负序功率方向闭锁。负序功率方向判据采用开放式(即“允许式”)闭锁。 保护的逻辑框图如下图所示。
|










