中睿照明网
首页
>
百科知识
>
电工知识
互锁控制电路图
时间:2023-03-15
来源:佚名
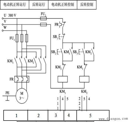
在同一时间里两个接触器只允许一个工作的控制称为互锁控制。 下图所示为具有互锁控制功能的线路。
相关阅读
伺服电机抱闸系统
今天我们介绍伺服电机抱闸系统,在伺服系统控制中,抱闸一般不是经常使用,伺服电机本身制动性能比较好。 对于220V抱闸系统,抱闸控制电路时通过发光三极管对IGBT进行无源控制,...
2023-03-29
三星贴片电容好用吗?
现在三星贴片电容是否好用,主要还是看选择什么型号,因为三星贴片电容的型号是比较多的。不同的型号有不同的功能,而且在使用的方式方面也会有不同的表现,至于是否好用,主...
2023-03-31
光电二极管放大电路设计-如何放大信号?
今天给大家分享一些关于光电二极管运算放大电路的文章。 由光电二极管产生的极低幅度电流的标准方法:将该电流用作基于运算放大器的跨阻放大器 (TIA) 的输入。下图提供了连接到...
2023-05-29
电气安全工作规程,电力人都知道,想学习的收藏,科普知识
1. 电气设备的分类 电气设备分为高压和低压两种: 高压电气设备:电压等级在1000V及以上 低压电气设备:电压等级在1000V以下。 2. 高压设备的巡视 (1)巡视高压设备的人员巡视高压设...
2023-06-13
电工入门到底该怎么样学习?电工入门应该五步走
从事电力作业的人员都知道,电工是个很广泛的工种,并且电工的起点低,就业率高,社会需求量大,几乎无论什么时候都不愁找不到工作:工厂需要电工,家装需要电工,供电需要电工...
2023-06-11
热销商品
加厚abs安全帽电工建筑工地程施工领导监理透气防砸头盔可印字V型
这款加厚ABS安全帽专为电工、建筑工地施工人员、领导及监理设计,采用高强度ABS工程塑料,抗冲击、防砸性能优异,有效保障头部安全。帽体加厚设计,增强耐用性与防护等级...
¥
5.8
欧普led筒灯3w孔灯超薄桶灯吊顶天花灯过道嵌入式洞灯客厅5w
欧普LED筒灯是一款高品质嵌入式照明产品,适用于客厅、过道、吊顶等多种场景。采用优质LED光源,提供3W和5W两种功率选择,光线柔和均匀,显色指数高,有效还原真实色彩。超...
¥
7.45
水口钳高硬度模型剪钳电子钳工业级口水剪斜嘴钳偏口斜口专用钳子
水口钳高硬度模型剪钳是一款工业级精密工具,专为电子、模型制作及精细作业设计。采用优质高碳钢材质,经热处理工艺打造,具备卓越的硬度和耐磨性,可轻松剪切金属引脚、...
¥
4.8
170电子剪钳II 如意斜口钳 工业斜嘴钳水口钳 模型剪塑胶钳尖嘴钳
170电子剪钳II如意斜口钳是一款专业级精密工具,集工业斜嘴钳、水口钳、模型剪、塑胶钳与尖嘴钳功能于一体,适用于电子维修、模型制作、手工艺及精密作业。其采用优...
¥
4.5
安全帽国标工地加厚施工领导透气安全头盔建筑工程监理免费印字
本款安全帽严格遵循国家GB 2811-2019标准,专为建筑工程、工地施工及监理人员设计。采用高强度ABS工程塑料,加厚壳体有效抗冲击,保障头部安全。帽体轻盈透气,内置可调...
¥
10
扫码手机访问
网站栏目
行业资讯
- 行业资讯
- 技术资讯
- 人物邦
- 产业分析
- 企业动态
学术论文
- 论文
- 技术
百科知识
- LED及OLED
- 生活经验
- 生活维修
- 电工知识
- 电光源
- 材料设备
- 灯具
- 电器附件
照明商城
搜索