防火卷帘门的电气控制
时间:2023-03-15来源:佚名
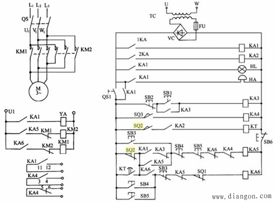
![]() 第一步下放:当火灾产生烟时,来自消防中心的联锁信号(或直接与感烟探测器联锁) 1KA↑→KA1↑:信号灯H1↑→发出报警信号;给消防中心一个卷帘启动的信号;短接QS1,全部电路通以直流电;电磁铁YA↑→打开锁头,卷帘门准备下降;KA5↑→KM2↑→门电机反转下降。 当卷帘门降到1.2~1.8m定点时,位置开关SQ2↑→KA5↓→KM2↓,门电机停止。这样即可隔断火灾初期的烟,也有利于人员灭火和疏散。 第二步下放:当火灾较大,温度较高时,消防中心的联锁信号(或直接与感温探测器联锁),2KA↑→KA2→KT↑→延时后(30s)→KA5↑→KM2又重新通电,卷帘门电机又反转,卷帘门继续下降。 下降到卷帘门完全关闭时,限位开关QS3↑→KA4↑→KA5↓→KM2↓,卷帘门电机停止。同时KA4触头将卷帘门完全关闭信号反馈给消防中心。 当火灾扑灭后,按下消防中心的卷起按钮SB4或现场就地卷起按钮SB5→KA6↑→KM1↑→卷帘门电机正转,卷帘门上升, 当上升到设定的上限限位时,限位开关SQ1↑→KA6↑→KM1↓→卷帘门电机停止。 开关QS1用于手动开门或关门,而按钮SB6则用于手动停止开门或关门。 |









