静压螺旋传动与静压导轨
时间:2023-03-15来源:佚名
|
1. 静压螺旋传动的工作原理
静压螺旋传动的工作原理如图1所示。
图1 静压螺旋传动的工作原理
2. 静压螺旋传动的特点
(1) 摩擦阻力小,效率高(可达99%)。
(2) 寿命长。螺纹表面不直接接触,能长期保持工作精度。
(3) 传动平稳,低速时无爬行现象。
(4) 传动精度和定位精度高。
(5) 具有传动可逆性,必要时应设置防止逆转机构。
(6) 需要一套可靠的供油系统,并且螺母结构复杂,加工比较困难。 静压导轨
1. 液体静压导轨
根据结构特点,液体静压导轨分为开式静压导轨和闭式静压导轨两类。
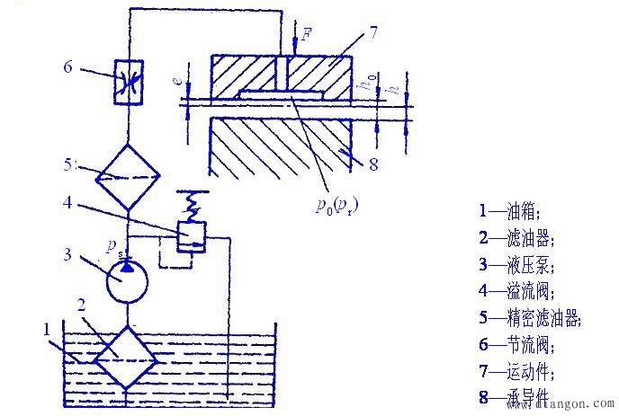
1) 开式静压导轨
如图2所示。
图2 开式静压导轨的工作原理
2) 闭式静压导轨
图3为闭式静压导轨的工作原理图。
图3 闭式静压导轨的工作原理
液体静压导轨的优点是:
(1) 摩擦系数很小(启动摩擦系数可小至0.0005),可使驱动功率大大降低,运动轻便灵活,低速时无爬行现象。
(2) 导轨工作表面不直接接触,基本上没有磨损,能长期保持原始精度,寿命长。
(3) 承载能力大,刚度好。
(4) 摩擦发热小,导轨温升小。
(5) 油液具有吸振作用,抗振性好。 2. 气体静压导轨
负压吸浮式气垫的工作原理如图4所示, 图(a)为气垫导轨的结构,图(b)为气垫工作面上的压力分布。
图4 负压吸浮式气垫的工作原理 |









