定子绕组串电阻减压起动控制

时间:2023-03-15来源:佚名
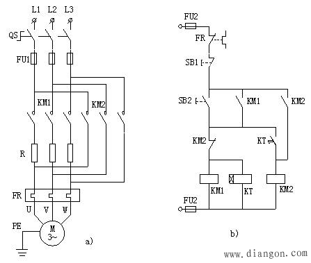
定子绕组串电阻减压起动控制线路中电动机起动时,在电路中串电阻,可使电动机定子绕组电压降低,起动结束后再将电阻切除,使电动机在额定电压下运行。
定子绕组串电阻减压起动控制

定子绕组串电阻减压起动
a)主电路 b)控制电路

主电路
主电路中QS是电源引入开关,当接触器KM1主触头闭合、接触器KM2主触头断开时,电源电流将经组合开关QS、熔断器FU1、主触头KM1、串接在线路中的电阻R、热继电器加热元件FR接入电动机M的三相定子绕组中,三相定子绕组处于减压起动状态。反之,将KM1断开、KM2闭合,则电源不再经过串电阻R,而是直接接入三相定子绕组中,三相定子绕组处于全压运转状态。
控制线路
当按下SB2,KM1线圈通电,并通过KM1动合辅助触头闭合形成对SB2的自锁。主电路中KM1主触头接通,电动机进入减压起动状态。
按下SB2时KT线圈同时通电,经一段延时时间(延时时间至接近电动机额定转速时结束)后, KT动合延时闭合触头闭合,KM2线圈通电。
KM2线圈一旦通电,KM1线圈因所在支路中的KM2动断触头立即断开而断电,此时主电路中KM1主触头断开,KM2主触头闭合,引入的电源电流不经过串电阻直接接入电动机的三相绕组,电动机切换成全压运转状态。
优缺点
串电阻减压起动的优点是控制线路简单、成本低、动作可靠、功率因素高。但由于串电阻减压起动时电流随定子电压成正比下降,起动转矩按电压的平方成正比下降,且每次起动都要消耗大量电能,仅适用于要求起动平稳的中小容量电动机,且起动不宜频繁。

    相关阅读

    功率表与电度表的使用,你也许并不完全了解

    学习目标 知道功率测量的线路和方法。 掌握功率表的使用方法。 理解电度(能)表测量原理。 了解(单相)电度表的接线与安装。 一、功率测量 功率表大多数为电动系结构,可以测...
    2023-06-13
    功率表与电度表的使用,你也许并不完全了解

    水电施工图纸怎么看?教你几个看水电施工图的小窍门

    水电安装是房子的一部分,其安全方便与否跟大家住房的舒适度可是有很大关系。在做水电之前,业主们可以看看水电施工图纸,那样您就可以走很多弯路了。那么,水电施工图纸怎么...
    2023-06-11
    水电施工图纸怎么看?教你几个看水电施工图的小窍门

    90KW电机异响,电工说有问题,机修说正常,我这样做对吗?

    周二下午,我正在公司篮球场上打得尽兴,机修主任突然找了过来,拉着我就往车间走,非要我去现场听一听一台电机的轴承声音,确认是不是有异响。可当我听完来龙去脉,当场就不干了,直接甩...
    2026-04-11
    90KW电机异响,电工说有问题,机修说正常,我这样做对吗?

    配电柜标准接线

    电力作业人员都知道,配电柜导线的连接在电工的工作中占有很大的比重,大部分的电工师傅接线都有相对的规范,几乎都是以实现电气控制功能为主体而进行的接线,可是回头看看,电工配电...
    2024-10-15
    配电柜标准接线

    单片机怎么控制大电流器件

    单片机控制大电流器件,这是嵌入式设计当中很常见的技术,单片机属于低功耗微处理器,I/O口的输出电流一般都10mA以内。若想将微弱的电流进行放大控制,一般采用三极管、MOS管、光...
    2023-09-14
    单片机怎么控制大电流器件

    热销商品

    加厚abs安全帽电工建筑工地程施工领导监理透气防砸头盔可印字V型

    这款加厚ABS安全帽专为电工、建筑工地施工人员、领导及监理设计,采用高强度ABS工程塑料,抗冲击、防砸性能优异,有效保障头部安全。帽体加厚设计,增强耐用性与防护等级...
    5.8

    水口钳高硬度模型剪钳电子钳工业级口水剪斜嘴钳偏口斜口专用钳子

    水口钳高硬度模型剪钳是一款工业级精密工具,专为电子、模型制作及精细作业设计。采用优质高碳钢材质,经热处理工艺打造,具备卓越的硬度和耐磨性,可轻松剪切金属引脚、...
    4.8

    170电子剪钳II 如意斜口钳 工业斜嘴钳水口钳 模型剪塑胶钳尖嘴钳

    170电子剪钳II如意斜口钳是一款专业级精密工具,集工业斜嘴钳、水口钳、模型剪、塑胶钳与尖嘴钳功能于一体,适用于电子维修、模型制作、手工艺及精密作业。其采用优...
    4.5

    安全帽国标工地加厚施工领导透气安全头盔建筑工程监理免费印字

    本款安全帽严格遵循国家GB 2811-2019标准,专为建筑工程、工地施工及监理人员设计。采用高强度ABS工程塑料,加厚壳体有效抗冲击,保障头部安全。帽体轻盈透气,内置可调...
    10

    包邮三角型简易螺丝刀三角十字螺丝刀螺丝批改锥起子五金工具5mm

    这款5mm三角型简易螺丝刀,专为拧紧或拆卸三角形螺丝设计,适用于电子维修、家电维护及精密仪器装配等场景。采用优质合金钢材质,刀头硬度高、耐磨损,确保长久使用不变...
    3.64

    网站栏目