高压直配电机的防雷保护
|
1.保护方法经变压器与架空线连接的高压电机,一般不要求对它采取特殊的防雷保护措施,因为经过变压器转换的雷电波,除了极个别的情况外,不会有损坏电机绝缘的危险。但当高压电机不经变压器而直接由架空线配电(即 “直配”) 时,其防雷工作就显得特别重要。高压直配电机的防雷保护方式应根据电机容量、当地雷电活动强弱和供电可靠性的要求确定。
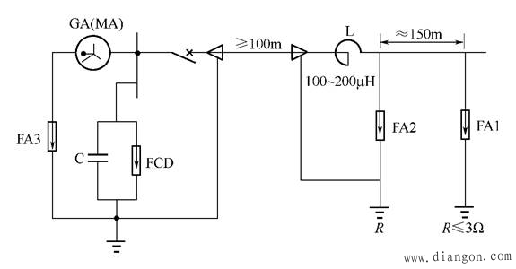
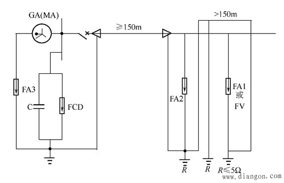
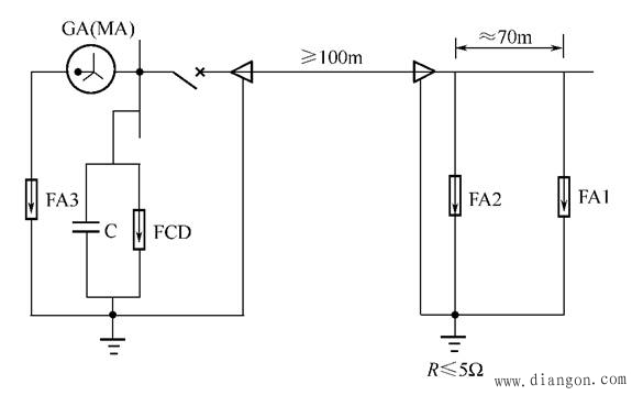
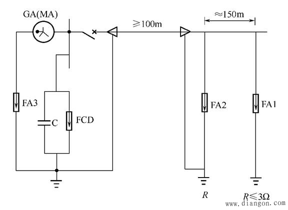
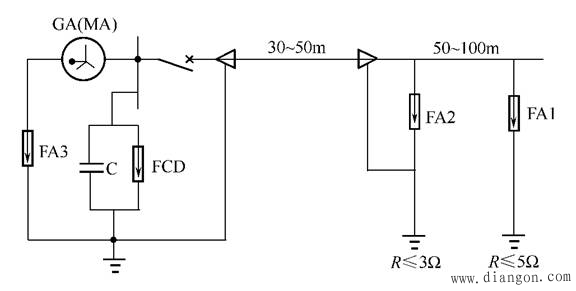
(1) 单机容量为 6000 ~ 12000kW 的直配电机 可采用图1所示进线保护段装有电抗线圈或图 2所示带有避雷线进线保护段的保护接线。 图 1 6000 ~ 12000kW 直配电机进线保护段装有电抗线圈的保护接线 图 2 6000 ~ 12000kW 直配电机带有避雷线 进线保护段的保护接线 图 2中所示进线保护段上所装设的阀式避雷器 FA2 的接地端应与电缆的金属护套及避雷线连接后共同接地,接地电阻不大于 5Ω,避雷线的保护角不大于 30°。为充分利用电缆金属护套的分流作用,应尽量将电缆段金属护套的全长或一段直埋在土中,若受条件限制不能直埋时,可将电缆金属护套多点接地,即除两端接地外,再在两端之间作 3 ~ 5处接地。 (2) 单机容量为 1500 ~ 6000kW (不包括 6000kW )或少雷区的直配电机 可采用图 3 所示进线保护段装有管式避雷器或图 4所示进线保护段装有阀式避雷器的保护接线。 图 3 1500 ~ 6000kW 直配电机进线保护段 装有管式避雷器的保护接线 图 3中所示管式避雷器 FA1 和 FA2 的冲击击穿电压,在释放电时间为 2μs时,对于额定电压为 3kV、6kV 及 10kV者,应分别不超过 40kV、50kV 和 60kV;FA1 和 FA2 的接地端应用导线连接,将连接导线悬挂在杆塔导线的下面,距导线不小于 2m,但不大于 3m,并与电缆首端的金属护套在装有FA2的杆塔处共同接地,工频接地电阻 R 不大于 5Ω。 若电缆首端的短路电流较大,如采用图 3 所示的保护接线缺乏适当的管式避雷器,可采用图 4所示进线保护段装有阀式避雷器的保护接线。 图 5 1500 ~ 6000kW 直配电机进线保护 单机容量为 1500 ~ 6000kW 的直配电机,也可采用图 6所示进线装有电抗线圈的保护接线。 图 51500 ~ 6000kW 直配电机进线 图 6 300 ~ 1500kW 直配电机进线有电缆段的保护接线
图 7 300 ~ 1500kW 直配电机进线
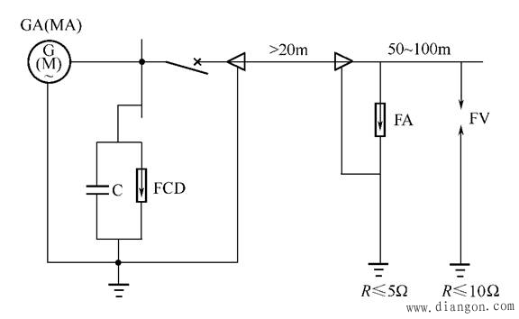
采用避雷线保护的保护接线 (4) 单机容量 300kW 及以下的直配电机 一般可采用图8所示带电缆进线段或图9所示的进线保护接线。图中的高压保护间隙(FV) 最小值见表1,图 8 中所示的FV 可装于终端杆上或由终端杆绝缘子铁脚接地。
图 8 300kW 及以下直配电机带电缆进线段的保护接线 图 9 300kW 及以下直配电机进线保护接线 表 1 保护间隙的主间隙最小值 单位:mm 2.各种防雷元件的作用 (1) 进线段保护 从图 1 ~ 图 9 中可以看出,进线段保护包括架空进线上的避雷器或保护间隙和首端电缆。避雷器 FA1、FA2 或保护间隙 FV 的作用是将进线上侵入的雷电波的大部分引入大地,减轻配电所内避雷器的负担。电缆的作用如同电容器,可以降低从架空线上侵入的过电压波的陡度。当雷电波使避雷器或保护间隙击穿时,电缆首端的金属护套就通过它们与芯线发生短路,由于雷电流的等值频率很高,强烈的趋肤效应使大部分雷电流沿电缆金属护套分流并流入大地,而流过电缆芯线的雷电流较小。同时,在电缆芯线上还感应出反电动势,阻止高电位的侵入。这样,室内母线上的过电压就比较低了。另外,接地引下线应尽可能短些,以限制设备主绝缘承受的过电压幅值尽可能接近避雷器的残压。 (2) FCD 系列保护旋转电机磁吹阀式避雷器 由于采用磁吹灭弧间隙增强了灭弧能力;其火花间隙旁并联分路电阻,改善了冲击系数,降低了避雷器的冲击放电电压,使其有较好的保护特性,与 FS系列普通阀式避雷器相比,可以使电机的绝缘水平降低一些。FCD 应尽量靠近电机安装,在一般情况下,可装在电机出线处;若一组母线上的电机不超过两台,也可装于母线上。 (3) 防雷电容器 C 该电容器两端的电压不能突变,有如下作用。 ① 在雷电波起始瞬间,电容两端等于短路,然后逐步充电,这就限制了电压上升的速度,即降低雷电波的陡度,有利于保护直配电机的匝间绝缘。 ② 使安装点的电位变化比较平缓,改善磁吹避雷器的冲击放电特性,降低侵入波的幅值。 ③ 在无电容器的情况下,电机电中性点可能出现两倍于来波幅值的电压,有了电容器后,则可降低直配电机中性点的电压,从而保护该处的绝缘。防雷电容器按三相星形联结接线,其中性点接地,应选择与电机同一额定电压的电容器。防雷电容器的数值一般每相取 0.5 ~ 1μF,电容器应有短路保护。 ④ 保护旋转电机中性点的避雷器 FA3。若直配电机的中性点可以引出,且未直接接地时,应在中性点上装设一只阀式避雷器,可用 Y 系列中性点保护用金属氧化物避雷器,其额定电压不应低于电机最大运行相电压。 |

















