星三角换接减压起动
时间:2023-03-15来源:佚名
|
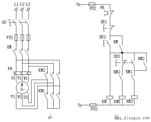
用于星三角换接减压起动三相异步电动机定子绕组中有六个接线端子U1、V1、W1、W2、U2及V2,见图。起动时KM主触头和KM1主触头闭合、KM2主触头断开,接线端子W2-U2-V2互连,定子绕组暂接成星形,这时定子绕组相电压仅为电动机额定电压的1/1.732倍,电动机起动。待电动机转速升到一定值时,再换接成KM主触头和KM2主触头闭合、KM1主触头断开的状态,接线端子U1-V2、V1-W2、W1-U2互连,定子绕组换接成三角形,电动机在额定电压下正常运转。 手动换接起动 星三角手动换接减压起动控制线路中起动时按下SB2,控制线路中KM线圈通电,并通过KM动合辅助触头自锁,主电路中的KM主触头闭合,与此同时KM1线圈也通电,主电路中的KM1主触头闭合,三相异步电动机定子绕组接成星形。
待电动机转速稳定时,再按下SB3,控制线路中KM线圈仍然通电,主电路中KM主触头保持闭合;而KM1线圈断电,主电路中的KM1主触头断开,同时KM2线圈通电,使主电路中的KM2线圈闭合,定子绕组换接成三角形。
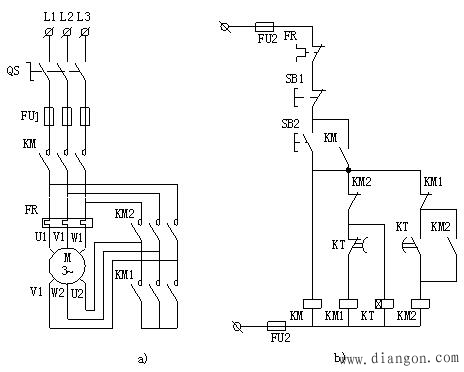
星三角换接减压起动优点在于定子绕组星形接法时,起动电压为三角形接法的1/1.732,起动电流为三角形接法的1/3,起动电流特性好,线路比较简单。缺点是起动转矩下降为三角形接法的1/3,转矩特性差。 |







