万用表检测IGBT模块的操作过程
时间:2023-03-15来源:佚名
|
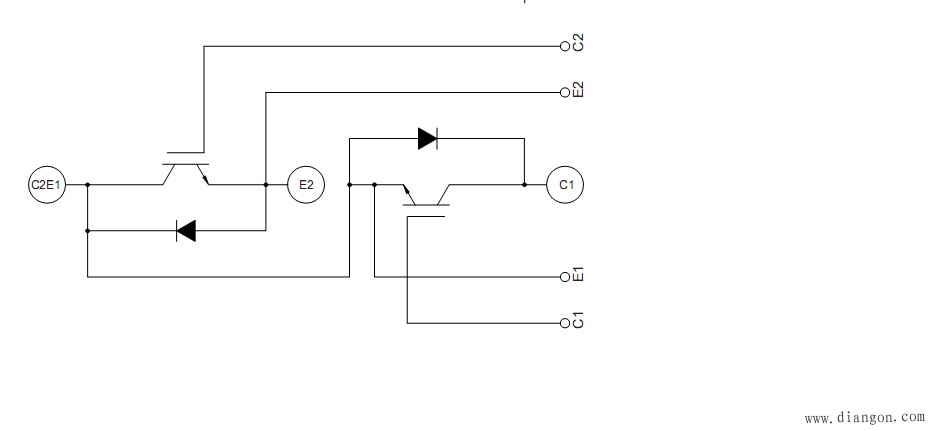
以上图片是用万用表检测IGBT模块的操作过程,普通指针式万用表,用‘X10K’电阻档,黑表棒接正极(C1)红表棒接输出,电阻无穷大,用另一只手两个手指分别触及黑表棒和模块的触发极(C1),表笔大幅摆动并保持,然后用手指触及模块的触发极的(C1和E1),表针回到原点。 反之,一样。黑表棒接模块的输出(C2E1),红表棒接模块的DC—(E2),两手指触及黑表棒和C2,表针摆动,一手指触及C2和E2,表针回原点。 多年来我修变频器都是用这种方法来判断IGBT模块的好坏,至于有人说模块会有软故障,我个人还没有遇到过!这种方法测量下来如果没问题,那么上机使用也就不存在问题! |













