反接制动通过改变异步电动机定子绕组中三相电源的相序,从而产生一个与转子惯性转动方向相反的制动转矩,实现制动。
反接制动时,转子与旋转磁场的相对速度接近两倍同步转速,所以定子绕组中流过的反接制动电流相当于全电压起动时起动电流的两倍,冲击电流很大。为了减小冲击电流,需在电动机主电路中串接电阻限制反接制动电流。
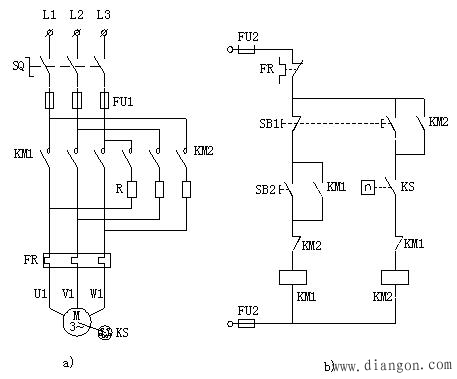
单向反接制动控制线路中起动时,按下SB2,KM1线圈通电,并通过KM1动合辅助触头自锁,主电路中KM1主触头闭合,电动机正转起动升速,当升速至接近速度继电器KS的额定动作速度时,控制线路中的KS辅助触头闭合。

单向反接制动控制线路
a)主电路 b)控制线路
之后当按下SB1,KM1线圈断电、KM2线圈因所在支路中的SB1动合辅助触头的闭合而通电。主电路中KM1主触头断开、KM2主触头闭合,导致L1、L3中电流反接至W、U两相定子绕组中,改变了定子绕组中三相电源的相序,从而产生出一个与电动正向转动惯性矩相反的制动转矩,使电动机快速降速。
当电动机转子转速接近零速时,KM2线圈因所在支路中的KS辅助触头的断开而断电,惯性转矩消失,电动机停转。
由以上分析可知,能耗制动比反接制动消耗的能量少,其制动电流也比反接制动电流小得多,但能耗制动的制动效果不及反接制动的明显,同时需要一个直流电源,控制线路相对比较复杂,通常能耗制动适用于电动机容量较大、起动、制动频繁的场合。