中央空调水系统的电气控制
时间:2023-03-15来源:佚名
|
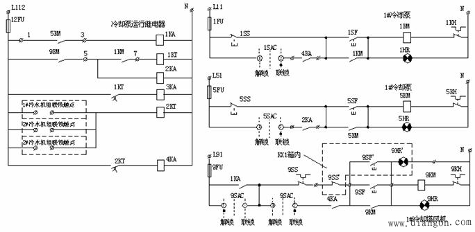
接触器5KM通电和冷却泵转入运行的同时,与冷水机组压缩机电动机作联锁控制的继电器KA线圈获电,与控制冷水机组启动的继电器9KM线圈串接的常开触点闭合,冷水机组压缩机电动机才有可能启动。可见,只有冷却泵先启动运行,冷却塔风机启动,压缩机才能启动运行。这就实现了冷却泵和压缩机间的联锁安全保护。 5KH为冷却泵过载保护热继电器,冷却泵过载时,5KH常闭触点断开,冷却泵控制回路断电,冷却泵停机,压缩机同时停车。 ![]() |









