根据异步电动机的转差率S表达式:

可知交流电动机转速公式如下:

式中n---电动机的转速,r/min;
p---电动机极对数;
f1---供电电源频率,Hz;
s---异步电动机的转差率。
由上式分析,通过改变定子电压频率f1、极对数p以及转差率s都可以实现交流异步电动机的速度调节,具体可以归纳为变极调速、变转差率调速和变频调速三大类,而变转差率调速又包括调压调速、转子串电阻调速、串级调速等,它们都属于转差功率消耗型的调速方法。
一、变极调速
1、变极调速的方法
变换异步电动机绕组极数从而改变同步转速进行调速的方式称为变极调速。其转速只能按阶跃方式变化,不能连续变化。变极调速的基本原理是:如果电网频率不变,电动机的同步转速与它的极对数成反比。因此,变更电动机绕组的结线方式,使其在不同的极对数下运行,其同步转速便会随之改变。异步电动机的极对数是由定子绕组的联接方式来决定,这样就可以通过改换定子绕组的联接来改变异步电动机的极对数。变更极对数的调速方法一般仅适用于笼型异步电动机。双速电动机、三速电动机是变极调速中最常用的两种形式。
2.双速电动机的控制线路
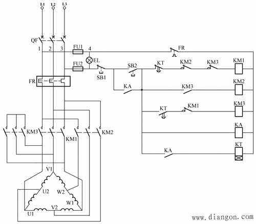
双速电动机的定子绕组的联接方式常有两种:一种是绕组从三角形改成双星形,如下图(a)所示的连接方式转换成如图(c)所示的连接方式,另一种是绕组从单星形改成双星形,如图(b)所示的连接方式转换成如图(c)所示的连接方式,这两种接法都能使电动机产生的磁极对数减少一半即电动机的转速提高一倍。

双速电动机的定子绕组的接线图
下图是双速电动机三角形变双星形的控制原理图,当按下起动按钮SB2,主电路接触器KMl的主触头闭合,电动机三角形连接,电动机以低速运转;同时KA的常开触头闭合使时间继电器线圈带电,经过一段时间(时间继电器的整定时间),KMl的主触头断开,KM2、KM3的主触头闭合,电动机的定子绕组由三角形变双星形,电动机以高速运转。

双速电动机的控制原理图
线路工作原理分析:

变极调速的优点是设备简单,运行可靠,既可适用于恒转矩调速(Y/YY),也可适用于近似恒功率调速(△/YY)。其缺点是转速只能成倍变化,为有极调速。Y/YY变极调速应用于起重电葫芦、运输传送带等;△/YY变极调速应用于各种机床的粗加工和精加工。
二、变转差率调速
1.变压调速
变压调速是异步电机调速系统中比较简便的一种。由电气传动原理可知,当异步电机的等效电路参数不变时,在相同的转速下,电磁转矩与定子电压的二次方成正比,因此,改变定子外加电压就可以改变机械特性的函数关系,从而改变电机在一定输出转矩下的转速。调压调速目前主要采用晶闸管交流调压器变压调速,是通过调整晶闸管的触发角来改变异步电动机端电压进行调速的一种方式。这种调速方式调速过程中的转差功率损耗在转子里或其外接电阻上效率较低,仅用于小容量电动机。
2.转子串电阻调速
转子串电阻调速是在绕线转子异步电动机转子外电路上接入可变电阻,通过对可变电阻的调节,改变电动机机械特性斜率来实现调速的一种方式。电机转速可以按阶跃方式变化,即有级调速。其结构简单,价格便宜,但转差功率损耗在电阻上,效率随转差率增加等比下降,故这种方法目前一般不被采用。
3.串级调速
绕线转子异步电动机的转子绕组能通过集电环与外部电气设备相连接,可在其转子侧引入控制变量如附加电动势进行调速。前述的在绕线转子异步电动机的转子回路串入不同数值的可调电阻,从而获得电动机的不同机械特性,以实现转速调节就是基于这一原理的一种方法。
电气串级调速的基本原理是在绕线转子异步电动机转子侧通过二极管或晶闸管整流桥,将转差频率交流电变为直流电,再经可控逆变器获得可调的直流电压作为调速所需的附加直流电动势,将转差功率变换为机械能加以利用或使其反馈回电源而进行调速的一种方式。这是一种节能型调速方式,在大功率风机、泵类等传动电动机上得到应用。
三、变频调速
变频调速是利用电动机的同步转速随频率变化的特性,通过改变电动机的供电频率进行调速的方法。在异步电动机诸多的调速方法中,变频调速的性能最好,调速范围广,效率高,稳定性好。
采用通用变频器对笼型异步电动机进行调速控制,由于使用方便,可靠性高并且经济效益显著,所以逐步得到推广应用。通用变频器是指可以应用于普通的异步电动机调速控制的变频器,其通用性强。
对异步电动机进行调速控制时,电动机的主磁通应保持额定值不变。若磁通太弱,铁心利用不充分,同样的转子电流下,电磁转矩小,电动机的负载能力下降;而磁通太强,铁心发热,波形变坏。如何实现磁通不变?
根据三相异步电动机定子每相电动势的有效值为:
E1=4.44f1N1Φ(3-3)
式中E1---定子每相由气隙磁通感应的电动势的方均根值(V)
f1----定子频率(Hz)
N1---定子相绕组有效匝数;
Φ----每极磁通量(Wb)
如果不计定子阻抗压降,则U1≈E1=4.44f1N1Φ(3-4)
若端电压U1不变,则随着f1的升高,气隙磁通Φ将减小,又从转矩公式:
T=CMΦI2COSφ2
可以看出,磁通Φ的减小势必导致电动机允许输出转矩T下降,降低电动机的出力。同时,电动机的最大转矩也将降低,严重时会使电动机堵转;若维持端电压U1不变,而减小f1,则气隙磁通Φ将增加。这就会使磁路饱和,励磁电流上升,导致铁损急剧增加,这也是不允许的。因此在许多场合,要求在调频的同时改变定子电压U1,以维持Φ接近不变。下面分两种情况说明:
1.基频以下的恒磁通变频调速
为了保持电动机的负载能力,应保持气隙主磁通Φ不变,这就要求降低供电频率的同时降低感应电动势,保持E1/f1=常数,即保持电动势与频率之比为常数进行控制,这种控制又称为恒磁通变频调速,属于恒转矩调速方式。由于E1难于直接检测和直接控制,可以近似地保持定子电压U1和频率f1的比值为常数,即认为E1≈U1,保持U1/f1=常数。这就是恒压频比控制方式,是近似的恒磁通控制。
2.基频以上的弱磁变频调速
这是考虑由基频开始向上调速的情况。频率由额定值向上增大时,电压U1由于受额定电压U1N的限制不能再升高,只能保持U1=U1N不变,这样必然会使主磁通随着f1的上升而减小,相当于直流电动机弱磁调速的情况,即近似的恒功率调速方式。
由上面的讨论可知,异步电动机的变频调速必须按照一定的规律同时改变其定子电压和频率,基于这种原理构成的变频器即所谓的VVVF(VariableVoltageVariableFreqency)调速控制,这也是通用变频器(VVVF)的基本原理。
根据U1和f1的不同比例关系,将有不同的变频调速方式。保持U1/f1为常数的比例控制方式适用于调速范围不太大或转矩随转速下降而减小的负载,例如风机、水泵等;保持T为常数的恒磁通控制方式适用于调速范围较大的恒转矩性质的负载,例如升降机械、搅拌机、传送带等;保持P为常数的恒功率控制方式适用于负载随转速的增高而变轻的地方,例如主轴传动、卷绕机等。