判断窃电行为方法
|
判断原则是:通过测试电能表上的电流或一定负载下的转数(电子式电能表为脉冲数),分析、判断整体运行情况是否正常。
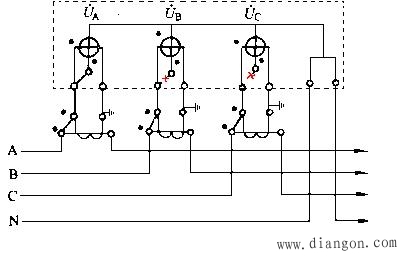
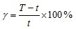
一、钳形电流表法钳形电流表法是一种可不断开被测电流而直接测量电流的设备,其结构如图5-1所示。方法是客户用电时,将火线、零线一同于钳口中心,应读数为零。这种方法一般用于低压配电线路中单相电能表或三相四线电能表的接线检查。 ![]() 二、逐相检查法逐相检查法指采用单独检查相接线的方法进行检查。检查第一元件时,如图5-2所示,打开电能表的小盖,断开B、C相电压,若是感应式电能表,其转盘仍正转,只是转速变慢;若是电子式电能表,其脉冲闪动频率变慢,则可判断该元件原来运行情况基本正常。第二、三元件的检查同理。 图5-2检查第一元件(A相)的接线图 三、瓦表法指实负载比较法,其检查原理是将运行中计量装置计量的功率Px与线路中实际功率P0进行比较,定性地判断电能计量装置接线是否正确。具体方法是:用一只秒表纪录电能表转盘转N(r)圈或电子式电能表脉冲灯闪动N次实际所用时间t(s),若已知电能表的实际负载为P0,则电能表应用的理论时间T为:
而计量装置的测量误差为:
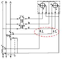
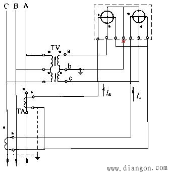
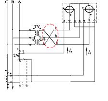
若误差γ未超过电能表的误差范围,则说明该接线正确。 四、力矩法1.断b相电压法用秒表测出三相三线有功电能表未断b相电压前转N次(若为电子式电能表则为脉冲闪动N次)所需的时间t,然后断开B相电压进线,如图5-3所示,用秒表测电能表转盘转同样N转所需要的时间t’。若t’/t≈1.6~2.4,且感应式电能表转盘仍正转或电子式电能表的脉冲闪动频率变慢,则说明原接线正确,否则有窃电之嫌。 应该指出,力矩法同意适用于检查两元件三相无功电能表的接线。但对DX2型表,由于中线相电压是c相电压,因此,断中线应断开的是c相电压。 图5-3 断b相电压法接线图 2、a、c电压(或电流)交叉法(1)用秒表测出三相三线有功电能表未交叉电压前转N转所需的时间t。若为电子式电能表,则是脉冲灯闪动N次所用的时间。 (2)将三相有功电能表的电压进线a、c交叉,接线如图5-4所示。 图5-4 a、c电压交叉法接线图 图5-5 a、c电流交叉法接线图 (3)a、c电压交叉后,感应式电能表的转盘不转或微微朝一侧转动;对于电子式电能表,则其脉冲灯闪动频率变得很慢或不闪,则说明原接线正确;否则,有窃电嫌疑。 (4)也可采用图a、c电流交叉法,如图5-5所示。 |

(5-1)
(5-2)








