接触器的结构与构造
时间:2023-03-15来源:佚名
|
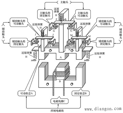
接触器结构:由电磁系统、触头系统、灭弧装置、复位弹簧等几部分构成。
电磁系统:包括可动铁心(衔铁)、静铁心、电磁线圈; 触头系统:包括用于接通、切断主电路的大电流容量的主触头和用于控制电路的小电流容量的辅助触头; 灭弧装置:用于迅速切断主触头断开时产生的电弧,以免使主触头烧毛、熔焊,对于容量较大的交流接触器,常采用灭弧栅灭弧。 1.电磁铁的构造 ![]() 电磁铁的构造图 2.电磁接触器的原理结构 ![]() 用于接触器的E形铁心的功能 ![]() 接触器的原理结构图 3.电磁接触器的实际结构 ![]() 交流接触器 (a)CJ10系列接触器 (b)CJX1系列接触器 (c)CJX1N系列机械联锁接触 (d)交流接触器的外形结构说明 (e)(f)接触器内部结构 |










