压力自动控制水泵的电路
时间:2023-03-15来源:佚名
|
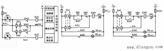
采用电接点压力表构成的备用泵不自动投入的线路 ![]() ![]() ![]() 1号为工作泵,2号为备用泵。 SAl至“Z”位,SA2至“S”位,合总闸↑→HLGN1↑、HLGN2↑。 1)低水压开泵 当水位处于低水位时, SPl↑→KAl↑→KMl↑→自锁,M1启动运转,HLGN1↓、HLRD1↑ 2)高水压停泵 当水箱水位升至高水位时 SP2↑→KA2↑→KAl↓→KMl↓→M1↓→HLGN1↑、HLRD1↓ 3)故障时备用泵手动启动 M2运行 当KMl故障,HA↑→SB2↑→KM2↑ HLGN2↓、HLRD2↑ 当水位上升到高水位时,压力表指向SP2,按下停止按钮SB4,KM2失电释放,M2停止。 |










