PLC的IO点
时间:2023-03-15来源:佚名
|
我们已经知道plc要实现相关的控制功能,就要有相应的输入输出部件,同电气控制回路一样,如:按钮、行程开关、接近开关、传感器及变送器、电磁线圈、接触器、继电器、控制阀等等。这在PLC中通常称为I/O点,它是用端子的形式与工业现场的器件或设备进行连接的,PLC在使用时只需将现场的各种设备与相应的I/O端相连接,即可投入运行。
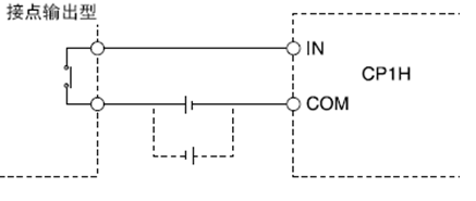
OMRON PLC 整体型一体机的数字量IO点一般是以6:4的比例来分配输入和输出信号点的,比如20 个IO点的PLC模块可以接12个点的输入信号,还可以接8个点的输出信号。 PLC的数字量输入类型一般常见的都是DC型号的,就是直流输入,当然也有交流输入。直流输入一般都是24V,外接的信号一般都为无源的开关量信号。 ![]() 所谓开关量信号或者是数字量信号,就是表现出的信号只有两种状态,象开关一样:或者是开或者是关,没有第三种状态。在计算机中表现的是:0或者是1;电气电路中表现的是:接通或者是切断,等等。 在PLC的上部为输入端子连接排,左侧是PLC的输入电源接点。挨着的是输入信号的端子。 ![]() 因为输入的外接信号通常都是无源的信号,所以在接入PLC端子时,要提供电源形成合适的电流回路,在PLC上为方便输入信号的电源供取,提供有24VDC(250MA)直流电源引出端子。如图上所示。 ![]() 所有的I/O接口电路均采用光电隔离,使工业现场的外电路与PLC内部电路之间电气上隔离。各输入端均采用R-C滤波器,其滤波时间常数一般为10~20ms。 在COM和信号输入端子间接入电源(该电源由PLC输出的 24VDC引用),形成输入回路。PLC的一个输入点单独对应一个内部电路,如果信号是=1时,也就是当输入信号(外部开关)闭合,输入点与输入公共端COM接通有适当电流形成输入回路时,该输入标识指示灯会点亮。在PLC里这个点的输入DI=1。我们看到PLC的输入端电气回路已经不是简单的电气接线形式,通过光电耦合和电容电阻,提高识别输入信号变化的程度,并隔离外部的可能的干扰。同样,交流输入电路也是类似。 值得注意的是,输入的电源在通常情况下,COM端可以或正或负,但对于NPN或者是PNP这种晶体管输入的外部信号,就要在接线上给予注意,日式的PLC习惯是NPN型的信号连接。NPN型传感器要求公共端接24VDC 极;PNP型传感器则正好相反,要求公共端接24VDC-极。因为PLC输入端子只有一个公共端-COM,如果信号中又有PNP型信号或者是NPN型信号的话,那么在选型上或者是接线上要做相应的调整。 以下是几种输入回路: ![]() 无源接点的信号回路,串入的电源可由PLC供电端引,公共端可接电源的正极/负极; ![]() 需电源的信号,电源(PLC供)的正极接COM端,负极接信号的低电位端;这种信号可以同NPN性质同接。 ![]() 集电极开路输出型的信号要引一路电源正极到电路中,以匹配电信号;可以同NPN性质同接 ![]() ![]() ![]() 开关量输出单元,有三种类型:晶体管输出,用于响应速度快的直流负载;晶闸管输出,只能用于交流负载,而继电器输出类型,可交流负载,也可直流负载,但是响应速度慢。寿命相比短。 数字输出端子排在PLC的下方。PLC的数字量输出端是与设备执行元件连接形成回路的。 ![]() 输入和输出回路都经过了光电隔离,提高抗扰能力。 ![]() 这是晶体管输出电路;当控制程序让输出点=1时,信号经光电耦合,使T2导通,使外接了电源的负载回路导通。 ![]() 同样在其它输出方式也是类似的。在实际的硬件端口分布中,CP1H PLC的输出COM端,并不全是一对一的,有的是几个输出口共一个COM端,在电气连接时,要注意控制电源的同一。
CP1H PLC已经有内置有模拟量的信号采集和模拟量输出信号的回路。模拟量是连续的信号,对于模拟输入的信号,在PLC也是以连续信号接收,接收后被自动的转变成为数字量的连续信号。一般情况下,当模拟量信号按要求进行了电气连接后,模拟量在PLC里是被转换为连续的数字量继而读写或者是处理的。 ![]() 这是电压信号的模拟量接口电路,对于有源的电压输出信号,在CP1H内置的接线端中,信号正端连到V IN端点,而负端连到COM端。 ![]() 那么如果是有源电流信号要连到I IN和COM端,同时V IN和I IN端短接。 ![]() 对于模拟量输出接口,PLC内部都提供电源,同样的按电流信号和电压信号的不同端子向负载提供驱动,形成控制回路。 |






















