程控增益放大器
时间:2023-03-15来源:佚名
|
图1即为一利用改变反馈电阻的办法来实现量程变换的可变换增益放大器电路。当开关S1闭合,S2和S3断开时,放大倍数为
而当S2闭合,而其余两个开关断开时,其放大倍数为
选择不同的开关闭合,即可实现增益的变换。如果利用软件对开关闭合情况进行选择,即可实现程控增益变换。
图1 程控增益放大器原理图
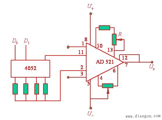
图2为AD521测量放大器与模拟开关结合组成的程控增益放大器,通过改变其外接电阻R的办法可实现增益控制。
图2AD521和模拟开关构成的程控增益放大器
图3为AD524的结构原理图
图3 AD524原理图 |








