PLC控制二台电动机顺序启动顺序停止

时间:2023-03-16来源:佚名

电机的顺序启动控制,主要有三类:1.顺序启动,同时停止。2.1.顺序启动,顺序停止。3.顺序启动,逆序停止。
下面以顺序启动顺序停止介绍。
控制要求:
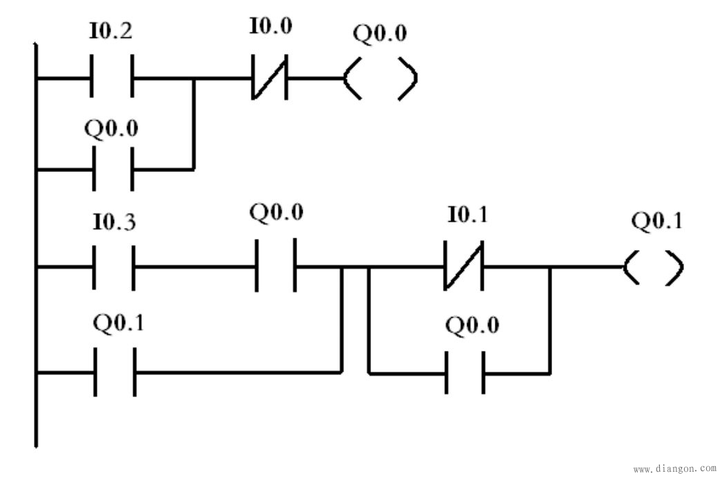
电机1启动,电机2才能启动,若电机1不启动,则电机2无法启动。
电机1停止后,电机2才能停止,若电机1不停止,则电机2无法停止。
具体内容请参考上传图片
1控制电路图
PLC控制二台电动机顺序启动顺序停止
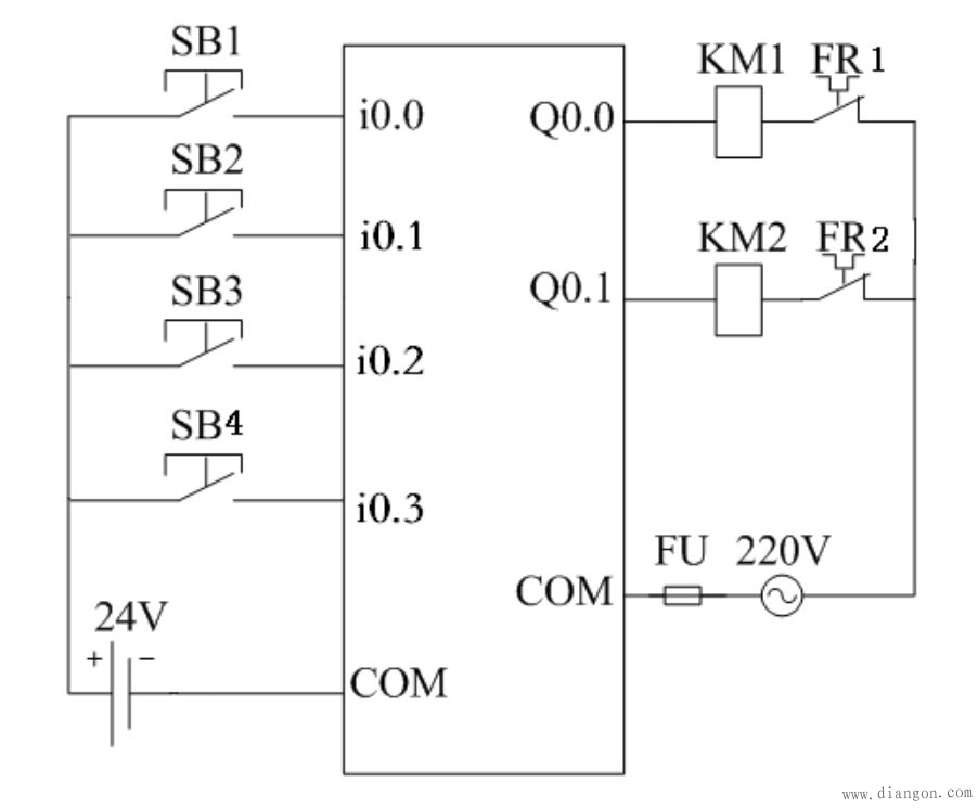
2plc接线示意图
PLC控制二台电动机顺序启动顺序停止
3IO分配表
PLC控制二台电动机顺序启动顺序停止
4梯形图

PLC控制二台电动机顺序启动顺序停止

    相关阅读

    电压跟随器和同相AC放大器电路原理图讲解

    一、在图YH1所示同相比例电路中,电压增益Au=( 1 Rf/R1 )。 当R1 趋向无穷大即R1 开路时,Au=1 ;Uo=Ui,输出将以极高的精度跟随输入,参见图YH2; 当Rf=0时,Av=1 Rf/R1=1 0/R1=1,反相输入端电...
    2023-08-04
    电压跟随器和同相AC放大器电路原理图讲解

    LDO线性稳压器电路图讲解

    线性稳压器 Linear regulator,我们一般称为 LDO。LDO 是英文 Low Drop Out 的首字母缩写,其中的 Drop Out是指线性稳压器输入端到输出端之间的电压差,前面加了一个 Low 之后,其词性就变成了...
    2023-09-06
    LDO线性稳压器电路图讲解

    24V/2A直流电源电路图

    24伏电源电路非常简单。它使用齐纳二极管和 TIP122 型达林顿晶体管。输出电压设置为 24 V,电流输出为 2 安培。 降压230V部分由变压器TR1提供,其次级电压为24V。整流滤波后可用电压为...
    2023-08-24
    24V/2A直流电源电路图

    电容充电相当于短路,那电容后面的电路上还会有电流吗?

    “电容充电相当于短路,那电容后面的电路上还会有电流吗?”根据这句话,我绘制对应的图,如下: 图1:电容的充电电压曲线和电阻的电流曲线 图1的左图,我们看到了电路图。当我...
    2023-03-31
    电容充电相当于短路,那电容后面的电路上还会有电流吗?

    NMOS防反接电路原理图 基于MOS管的防反接电路和降压电路设计

    在我们日常打交道的电子产品中,基本上所有的电子元件都是用的直流电,因此当我们的电源线插反时,极易容易烧坏电子产品。因此当我们设计出一个电子产品,最先就应该考虑如何...
    2023-08-29
    NMOS防反接电路原理图 基于MOS管的防反接电路和降压电路设计

    热销商品

    加厚abs安全帽电工建筑工地程施工领导监理透气防砸头盔可印字V型

    这款加厚ABS安全帽专为电工、建筑工地施工人员、领导及监理设计,采用高强度ABS工程塑料,抗冲击、防砸性能优异,有效保障头部安全。帽体加厚设计,增强耐用性与防护等级...
    5.8

    水口钳高硬度模型剪钳电子钳工业级口水剪斜嘴钳偏口斜口专用钳子

    水口钳高硬度模型剪钳是一款工业级精密工具,专为电子、模型制作及精细作业设计。采用优质高碳钢材质,经热处理工艺打造,具备卓越的硬度和耐磨性,可轻松剪切金属引脚、...
    4.8

    170电子剪钳II 如意斜口钳 工业斜嘴钳水口钳 模型剪塑胶钳尖嘴钳

    170电子剪钳II如意斜口钳是一款专业级精密工具,集工业斜嘴钳、水口钳、模型剪、塑胶钳与尖嘴钳功能于一体,适用于电子维修、模型制作、手工艺及精密作业。其采用优...
    4.5

    安全帽国标工地加厚施工领导透气安全头盔建筑工程监理免费印字

    本款安全帽严格遵循国家GB 2811-2019标准,专为建筑工程、工地施工及监理人员设计。采用高强度ABS工程塑料,加厚壳体有效抗冲击,保障头部安全。帽体轻盈透气,内置可调...
    10

    包邮三角型简易螺丝刀三角十字螺丝刀螺丝批改锥起子五金工具5mm

    这款5mm三角型简易螺丝刀,专为拧紧或拆卸三角形螺丝设计,适用于电子维修、家电维护及精密仪器装配等场景。采用优质合金钢材质,刀头硬度高、耐磨损,确保长久使用不变...
    3.64

    网站栏目