PLC顺序功能表图中几个特殊编程问题
|
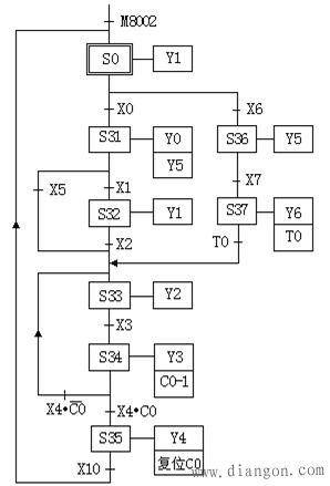
一、跳步与循环 复杂的控制系统不仅I/O点数多,功能表图也相当复杂,除包括前面介绍的功能表图的基本结构外,还包括跳步与循环控制,而且系统往往还要求设置多种工作方式,如手动和自动(包括连续、单周期、单步等)工作方式。手动程序比较简单,一般用经验法设计,自动程序的设计一般用顺序控制设计法。 1.跳步 如图1所示用状态器来代表各步,当步S31是活动步,并且X5变为“1”时,将跳过步S32,由步S31进展到步S33。这种跳步与S31
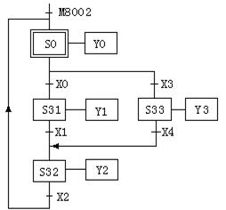
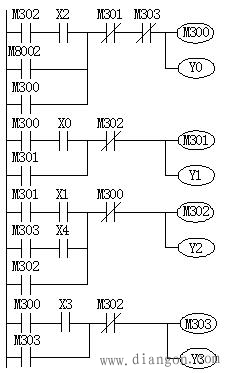
图1 含有跳步和循环的功能表图 2.循环 在设计梯形图程序时,经常遇到一些需要多次重复的操作,如果一次一次地编程,显然是非常繁琐的。我们常常采用循环的方式来设计功能表图和梯形图,如图1所示,假设要求重复执行10次由步S33和步S34组成的工艺过程,用C0控制循环次数,它的设定值等于循环次数10。每执行一次循环,在步S34中使C0的当前值减1,这一操作是将S34的常开触点接在C0的计数脉冲输入端来实现的,当步S34变为活动步时,S34的常开触点由断开变为接通,使C0的当前值减1。每次执行循环的最后一步,都根据C0的当前值是否为零来判别是否应结束循环,图中用步S34之后选择序列的分支来实现的。假设X4为“1”,如果循环未结束,C0的常闭触点闭合,转换条件 在循环程序执行之前或执行完后,应将控制循环的计数器复位,才能保证下次循环时循环计数。复位操作应放在循环之外,图1中计数器复位在步S0和步S25显然比较方便。 二、选择序列和并行序列的编程 循环和跳步都属于选择序列的特殊情况。对选择序列和并行序列编程的关键在于对它们的分支和合并的处理,转换实现的基本规则是设计复杂系统梯形图的基本准则。与单序列不同的是,在选择序列和并行序列的分支、合并处,某一步或某一转换可能有几个前级步或几个后续步,在编程时应注意这个问题。 1.选择序列的编程 (1)使用STL指令的编程 如图2所示,步S0之后有一个选择序列的分支,当步S0是活动步,且转换条件X0为“1”时,将执行左边的序列,如果转换条件X3为“1”状态,将执行右边的序列。步S32之前有一个由两条支路组成的选择序列的合并,当S31为活动步,转换条件X1得到满足,或者S33为活动步,转换条件X4得到满足,都将使步S32变为活动步,同时系统程序使原来的活动步变为不活动步。
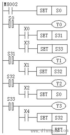
图2 选择序列的功能表图一 如图3所示为对图2采用STL指令编写的梯形图,对于选择序列的分支,步S0之后的转换条件为X0和X3,可能分别进展到步S31和S33,所以在S0的STL触点开始的电路块中,有分别由X0和X3作为置位条件的两条支路。对于选择序列的合并,由S31和S33的STL触点驱动的电路块中的转换目标均为S32。
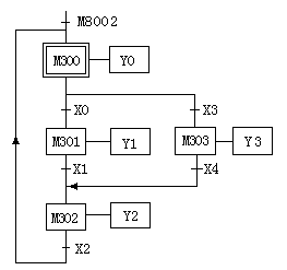
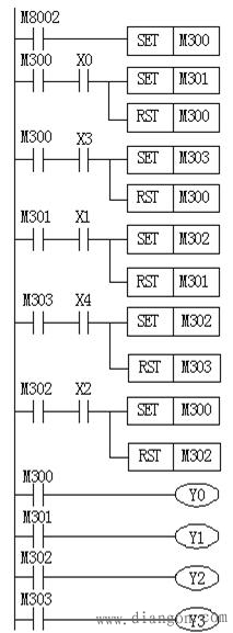
图3 选择序列的梯形图一 在设计梯形图时,其实没有必要特别留意选择序列的如何处理,只要正确地确定每一步的转换条件和转换目标即可。 (2)使用通用指令的编程 如图5所示对图4功能表图使用通用指令编写的梯形图,对于选择序列的分支,当后续步M301或M303变为活动步时,都应使M300变为不活动步,所以应将M301和M303的常闭触点与M300线圈串联。对于选择序列的合并,当步M301为活动步,并且转换条件X1满足,或者步M303为活动步,并且转换条件X4满足,步M302都应变为活动步,M302的起动条件应为:
图4 选择序列功能表图二
图5 选择序列的梯形图二 (3)以转换为中心的编程 如图6所示是对图4采用以转换为中心的编程方法设计的梯形图。用仿STL指令的编程方式来设计选择序列的梯形图,请读者自己编写。
图6 选择序列的梯形图三 2.并行序列的编程 (1)使用STL指令的编程 如图7所示为包含并行序列的功能表图,由S31、S32和S34、S35组成的两个序列是并行工作的,设计梯形图时应保证这两个序列同时开始和同时结束,即两个序列的第一步S31和S34应同时变为活动步,两个序列的最后一步S32和S35应同时变为不活动步。并行序列的分支的处理是很简单的,当步S0是活动步,并且转换条件X0=1,步S31和S34同时变为活动步,两个序列开始同时工作。当两个前级步S32和S35均为活动步且转换条件满足,将实现并行序列的合并,即转换的后续步S33变为活动步,转换的前级步S32和S35同时变为不活动步。
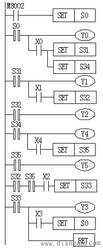
图7 并行序列的功能表图 如图8所示是对图7功能表图采用STL指令编写的梯形图。对于并行序列的分支,当S0的STL触点和X0的常开触点均接通时,S31和S34被同时置位,系统程序将前级步S0变为不活动步;对于并行序列的合并,用S32、S35的STL触点和X2的常开触点组成的串联电路使S33置位。在图8中,S32和S35的STL触点出现了两次,如果不涉及并行序列的合并,同一状态器的STL触点只能在梯形图中使用一次,当梯形图中再次使用该状态器时,只能使用该状态器的一般的常开触点和LD指令。另外,FX系列plc规定串联的STL触点的个数不能超过8个,换句话说,一个并行序列中的序列数不能超过8个。
图8 并行序列的梯形图 (2)使用通用指令的编程 如图9所示的功能表图包含了跳步、循环、选择序列和并行序列等基本环节。
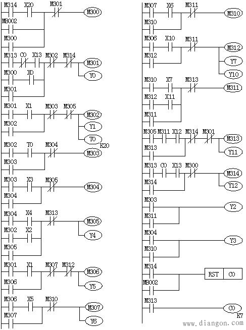
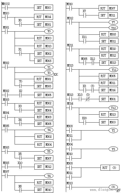
图9 复杂的功能表图 如图10所示是对图9的功能表图采用通用指令编写的梯形图。步M301之前有一个选择序列的合并,有两个前级步M300和M313,M301的起动电路由两条串联支路并联而成。M313与M301之间的转换条件为
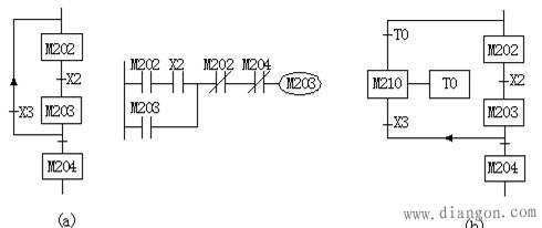
图10 使用通用指令编写的梯形图 步M313之前有一个并行序列的合并,该转换实现的条件是所有的前级步(即步M305和M311)都是活动步和转换条件X12满足。由此可知,应将M305,M311和X12的常开触点串联,作为控制M313的起动电路。M313的后续步为步M314和M301,M313的停止电路由M314和M301的常闭触点串联而成。 编程时应该注意以下几个问题: 1)不允许出现双线圈现象。 2)当M314变为“1”状态后,C0被复位(见图10),其常闭触点闭合。下一次扫描开始时M313仍为“1”状态(因为在梯形图中M313的控制电路放在M314的上面),使M301的控制电路中最上面的一条起动电路接通,M301的线圈被错误地接通,出现了M314和M301同时为“1”状态的异常情况。为了解决这一问题,将M314的常闭触点与M301的线圈串联。 3)如果在功能表图中仅有由两步组成的小闭环,如图11a所示,则相应的辅助继电器的线圈将不能“通电”。例如在M202和X2均为“1”状态时,M203的起动电路接通,但是这时与它串联的M202的常闭触点却是断开的,因此M203的线圈将不能“通电”。出现上述问题的根本原因是步M202既是步M203的前级步,又是它的后序步。如图11b所示在小闭环中增设一步就可以解决这一问题,这一步只起延时作用,延时时间可以取得很短,对系统的运行不会有什么影响。
图11 仅有两步的小闭环的处理 (3)使用以转换为中心的编程 与选择序列的编程基本相同,只是要注意并行序列分支与合并处的处理。 (4)使用仿STL指令的编程 如图12所示是对图9功能表图采用仿STL指令编写的梯形图。在编程时用接在左侧母线上与各步对应的辅助继电器的常开触点,分别驱动一个并联电路块。这个并联电路块的功能如下:驱动只在该步为“1”状态的负载的线圈;将该步所有的前级步对应的辅助继电器复位;指明该步之后的一个转换条件和相应的转换目标。以M301的常开触点开始的电路块为例,当M301为“1”状态时,仅在该步为“1”状态的负载Y0被驱动,前级步对应的辅助继电器M300和M313被复位。当该步之后的转换条件X1为“1”状态时,后续步对应的M302和M306被置位。
图12 采用仿STL指令编写的梯形图 如果某步之后有多个转换条件,可将它们分开处理,例如步M302之后有两个转换,其中转换条件T0对应的串联电路放在电路块内,接在左侧母线上的M302的另一个常开触点和转换条件X2的常开触点串联,作为M305置位的条件。某一负载如果在不同的步为“1”状态,它的线圈不能放在各对应步的电路块内,而应该用相应辅助继电器的常开触点的并联电路来驱动它。 |
S32






















