智能电表接线图
时间:2023-03-16来源:佚名
|
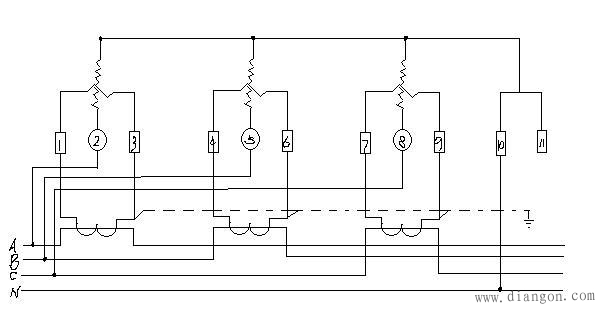
智能电表原理接线图与机械式电表原理接线图相同,不同的是增加了脉冲输出口接线。 智能表脉冲输出口接线示意图:
三相三线经电流互感器接入式智能表接线图:
三相四线经电流互感器接入式智能表接线图:
|
|
智能电表原理接线图与机械式电表原理接线图相同,不同的是增加了脉冲输出口接线。 智能表脉冲输出口接线示意图:
三相三线经电流互感器接入式智能表接线图:
三相四线经电流互感器接入式智能表接线图:
|








