稳压二极管和稳压电路
|
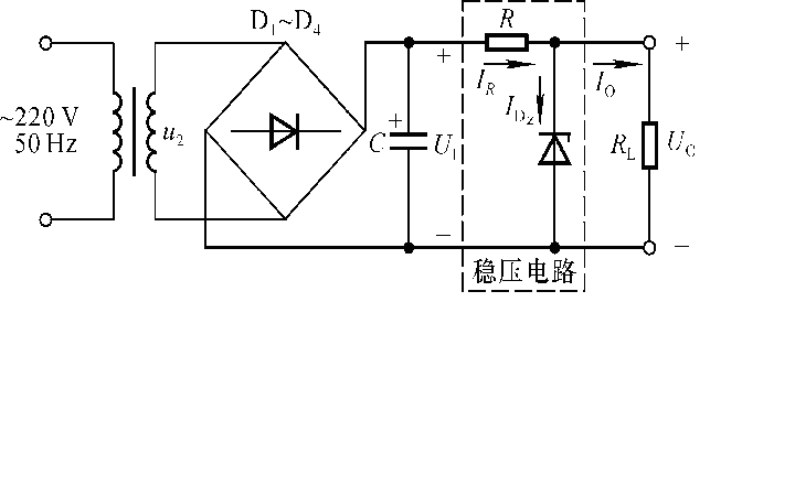
1、稳压二极管 电池或电池组,是电压较为平稳的直流电源。或无必要实施稳压控制,但其缺点是供电容量低,使用寿命有局限。交、直流转换电源中,交流侧的波动及负载电流变化,均会引发电压波动。稳压控制,凸显为一个重要的课题。 无论多少复杂的稳压控制电路,基准电压源电路是一个不可或缺的电路构成部分。输出变化量与一个不变量(基准电压)相比较,才能形成控制信号,使变化量回复至可控范围以内。这如同以“海平面作为海拔零米”做为高度基准单位,才能恒量某物体的高度,是一个道理。失去了“海拔基准”的参照,个别物体的高、低是无法界定和毫无意义的。 基准电压信号的取得,其最原始电路,即由限流电阻和稳压二极管构成的简单稳压电路,如图1中的方框图所示。
图1 简易R、D稳压电路
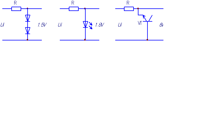
图2 具有电流/功率放大作用的稳压电路 图中电路中,因稳压二极管的最大击穿电流值所限,电路的电流输出能力极差,因此一般应用中,常采用如图2所示的,添加电压跟随器,以提升电流/功率输出能力。 在上世纪八、九十年代,各类电子设备往往由分方元件(二极管、三极管)所组成,各种稳压电源电路中,稳压二极管是必用的关键器件之一。但当时的电子器件供应,却不令人乐观,为搞到一只适宜电压击穿值的稳压二极管,有时要付出大量的人力、时间,如为了买到一只3.3V的稳压二极管,曾三上县城广播器材供应站,却无功而返,使人大伤脑筋。这种境况,也逼得人脑筋开窍,想出另外应付的法子。在长期的电子设备维修生涯中,寻找稳压二极管,发现稳压二极管,制造稳压二极管,成了我的一大乐趣。 其实在稳压工作者(假定有这么一个行业的话)的眼里,所有的电子器件,都具有“电压击穿”的特性,都有成为稳压二极管的特质,甚至不是电子器件的物质,如空气,在一定条件下,都具有这种物性。知道了这点,需用稳压二极管时,伸手拈来,遍地都地,又哪里愁购不到稳压二极管呢。 图1电路中,正确选取限流电阻R的阻值,是使稳压电路正常工作的前提。在负载电路空载时,使流过稳压二极管Dz的电流不超过其最大耐受值而损坏;在最大负载时,仍要保障流过Dz的电流超过最小击穿电流值,仍其仍处于击穿工作区。从稳压二极管的安全出发,只要限制其流通电流不超过稳压二极管最大反向耐受电流,电路元件就不会有损坏的危险。稳压二极管的正常工作区,是指在一定的流通电流条件下,工作于其反向击穿状态下。此时在较大的电流变化区域内,其端电压变化值是较微小的,甚至可以忽略不计。 我所找到的稳压二极管代换器件: 1)普通二极管(正向导通电压) 众所周知,普通二极管和晶体三极管的发射结,有一个门坎导通电压,对硅材料器件,此导通电压约为0.65V左右,随导通电流的变化,此电压变化并不是显著的。因而任何硅材料的普通二极管,均可用作0.6V的稳压二极管,将其正向压降作为稳压值。显然,因普通二极管的工作电流往往数倍于稳压二极管的工作电流,代换后,使功率输出能力增强,稳压区变宽。若需要2.5V的稳压管,将3只普通二极管串取即可。 纯粹采用二极管来代用稳压管,若所需稳压值较高,则多只串联尤为不便。这促使我进一步寻找其它的代换器件。 2)发光二极管(正向导通电压) 发光二极管的正向导通压降约1.7~2V之间,1只可以达到3只二极管的串联值,若需3.5V的稳压管,将其两只串联即能代用了。但要注意发光二极管的工作电流值一般为10~20mA,注意选取R值,使其流过发光二极管的电流不大于20mA。 3)晶体三极管的发射结(反向击穿电压) 这是较为理想的稳压管替代元件。三极管参数项中,有一项是Vbeo,即发射结反向击穿电压值。记得当时,维修当中急需用到6V稳压管,随手拿起一只3DG6晶体三极管,在基极串入限流电阻后,施加发射结反向电压,测得其稳压值为6V,代替原稳压管,将设备修复。现在应用最多的是90xx系列晶体管,若需要5V稳压管,则可用9013的发射结取代。任意一只三极管的发射结,都有一个较为稳压的击穿电压值,因而实际上,晶体三极管,也同时是稳压二极管代用器件。
图3 稳压二极管代用电路 4)特定型号的二极管(反向击穿电压) 有一次故障检修中,亟需用到110V稳压二极管,手头没有现成的稳压管,用其它串联代用,得用到一大嘟喽儿,不太现实。手头正有高频小功率整流二极管1N4148,串联100k电阻,加入DC500V,一试,蹦了起来,真是巧他娘打巧儿啊,IN4148的反向击穿电压值,可不正是110V嘛。普通整流二极管,如IN40xx系列,其反向击穿电压值VRRM为50V、100V、400V、600V,如果对其反向应用,这简单就是系列的稳压二极管啊。 如果用心,还可以在其它电子器件中,找到“稳压二极管”的。 2、串联稳压和并联稳压及稳压的实质 从稳压元件Dz或电压调整元件VT与负载RL关系的不同,可以分为并联(分流)稳压电路和串联(分压)调稳压电路,两路电路形式,如图4所示。
图4 串、并联稳压电路 影响Uo电压变化的原因有数种,例如温度变化等,但其中最关键的两条,即输入电压变化和负载电流的变化,影响最为显著。 若将负载电路等效为电阻RL,将稳压二极管的内阻变化等效为RDz(可变电阻),可以推知其稳压过程是这样的: (a)电路为并联稳压电路,Dz与RL成并联分流关系。 当RL固定不变,只有输入电压变化(例如升高)时,为了维持Uo不变,此时RDz的电阻值往小处变化,对供电电流的分流能力增强,以使Uo回落,保持原值不变;www.gdzrlj.com 当输入电压不变,负载电阻RL变化时(例如变小),负载电流的增大使Uo有低落的趋势,此时RDz的电阻值增大,分流减小,使Uo上升至原值。 (b)电路为串联稳压电路,VT与RL成串联关系。 仅以输入电压不变,负载变化时的稳压控制过程进行简要分析。 当负载电流上升,亦即RL变小时,显然,此时RVT的电阻值只有同比例变小,才能维持原分压值不变;同理,当RL变大时,RVT亦同时按比例变大,才能维持Uo的恒定不变。 可见,无论是串联稳压或是并联稳压,无论是输入电压变化或是负载电流变化时,稳压元件或稳压调整元件只有做出同步的电阻/电流变化,才能维持输出Uo不变。稳压调整元件在此充当的是可变电阻器的角色。换句话说,是稳压元件或电压调整元件同步调整了回路电流的变化,来维持输出电压的不变。是利用变流调整来实现的稳压控制。 线性稳压电路的缺点,是调整元件本身的功耗较大,即存在有端电压同时又流过大部或全部的负载电流。有时,调整元件本身的功耗会超过负载电路的功耗,致使效率低下。由于这个致使弱点的存在,导致了开关型DC-DC转换电源的现身,开关电源取代线性电源的时代就要来到了。 |













