电度表与电流表可以串接在电流互感器中吗?
时间:2023-03-16来源:佚名
|
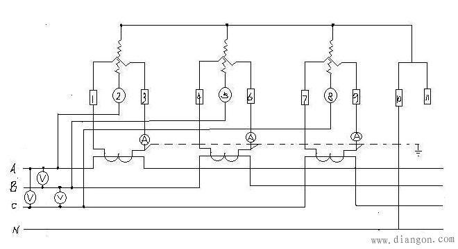
车间在装一个总表,总电柜里三个互感器是接电流表的,装总电表能否也接这三个互感器上? 答:理论上可以。其接线如下图所示: 但要考虑电流互感器二次回路中串接仪表太多时,对电度表读数的影响问题。 电流互感器铭牌上一般都注明其二次回路的额定负载及其准确度等级,如0.6欧1.0级,就是说只要二次回路的总负载阻抗不超过0.6欧,电流互感器的变比误差和相角误差均能符合1.0级的要求;反之,变比误差和相角误差都将有变更,就要影响电度表的读数。 应查看一下互感器阻抗参数。如果每个互感器只接一个电流表无关紧要,一般电流表表头内阻只有十到几十毫安不等,电度表与其串联后误差在允许范围内。 |






