自耦降压启动原理图
时间:2023-03-16来源:佚名
|
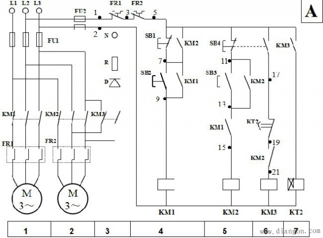
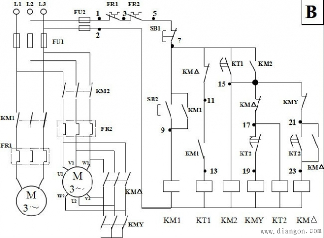
自耦降压启动是利用自耦变压器降低电动机端电压的启动方法,自耦变压器一般由两组抽头可以得到不同的输出电压(一般为电源电压的80%和65%),启动时使自耦变压器中的一组抽头一般用65%抽头,接在电动机的回路中,当电动机的转速接近额定转速时,将自耦变压器切除,使电动机直接接在三相电源上进入全压运转状态。 自耦降压起动又称补偿起动,起动时利用自耦变压器降低电源电压加到电动机定子绕组以减小起动电流,待转速接近额定值时,切除自耦变压器,加全压运行,自耦降压起动时,实际起动电流和起动转矩是全压起动时的( W2/W1 ) 2 倍。 1.自耦变压器是输出和输入共用一组线圈的特殊变压器.升压和降压用不同的抽头来实现.比共用线圈少的部分抽头电压就降低.比共用线圈多的部分抽头电压就升高. 2.其实原理和普通变压器一样的,只不过他的原线圈就是它的副线圈一般的变压器是左边一个原线圈通过电磁感应,使右边的副线圈产生电压,自耦变压器是自己影响自己。 3.自耦变压器是只有一个绕组的变压器,当作为降压变压器使用时,从绕组中抽出一部分线匝作为二次绕组;当作为升压变压器使用时,外施电压只加在绕组的—部分线匝上。通常把同时属于一次和二次的那部分绕组称为公共绕组,自耦变压器的其余部分称为串联绕组,同容量的自耦变压器与普通变压器相比,不但尺寸小,而且效率高,并且变压器容量越大,电压越高.这个优点就越加突出。因此随着电力系统的发展、电压等级的提高和输送容量的增大,自耦变压器由于其容量大、损耗小、造价低而得到广泛应用。 |













