电动机顺序延时启动停止控制电路图分析
时间:2023-03-16来源:佚名
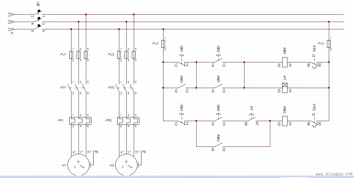
| SB2按下→KM1,KT得电,并经SB1按钮的常闭触点和KM1的辅助触点自锁保持→电动机M1起动→KT的延时常开触点闭合,为KM2的接通做好了准备。 SB4按下→KM2得电并自锁→同时KM2的另外一个辅助触点闭合使KM1自锁保持。 当断电时必须先按下SB3→使KM2断电,KM2的常开辅助触点断开→此时按下SB1,才能使KM1失电。 |
| SB2按下→KM1,KT得电,并经SB1按钮的常闭触点和KM1的辅助触点自锁保持→电动机M1起动→KT的延时常开触点闭合,为KM2的接通做好了准备。 SB4按下→KM2得电并自锁→同时KM2的另外一个辅助触点闭合使KM1自锁保持。 当断电时必须先按下SB3→使KM2断电,KM2的常开辅助触点断开→此时按下SB1,才能使KM1失电。 |





