屏蔽线是什么

时间:2023-03-16来源:佚名
屏蔽线外层由铝箔或铜编织网构成,信号线芯在内,屏蔽层接地,有效地隔离外界杂波干扰,以保证有效信号的传递质量。

    相关阅读

    电气设备过热怎么办?

    电气设备过热怎么办? 1、外部热故障 电气设备的外部热故障主要指裸露接头由于压接不良等原因,在大电流作用下,接头温度升高,接触电阻增大,恶性循环造成隐患。此类故障占外...
    2022-12-06
    电气设备过热怎么办?

    放大电路的频率失真

    图1 从信号的频谱一节的讨论可知,理论上许多非正弦信号的频谱范围都延伸到无穷大,而放大电路的带宽却是有限的,并且相频响应也不能保持常数。例如图1中输入信号由基波和二次...
    2023-03-11
    放大电路的频率失真

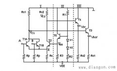
    ECL集成电路电路结构及工作原理

    电路结构及工作原理与其它数字集成电路 一样,ECL集成电路的逻辑功能也可以归结为基本门电路的工作过程。ECL集成电路的基本门为一差分管对,其电路形式如图所示: 图中 第I部分为...
    2023-03-10
    ECL集成电路电路结构及工作原理

    详解简单的电机控制线路

    今天徒手画了一张简单的控制线路,在上次讲解中我们共同学习了控制电机的主线路也就是三相电L1,L2,L3经过断路器 QF,接触器 KM6再经连线接到电机上,这只是电机控制的一部分,这...
    2023-03-04
    详解简单的电机控制线路

    漏电保护器“每月按一次”试验按钮和复位按钮的作用

    细心观察过的朋友可能都会发现,打开配电箱 后,有的断路器 比其它的断路器多一部分,除了用于分合的把手外,还有一部分上面有两个小按钮。这种断路器就叫做“漏电断路器”,上...
    2023-03-06
    漏电保护器“每月按一次”试验按钮和复位按钮的作用

    热销商品

    加厚abs安全帽电工建筑工地程施工领导监理透气防砸头盔可印字V型

    这款加厚ABS安全帽专为电工、建筑工地施工人员、领导及监理设计,采用高强度ABS工程塑料,抗冲击、防砸性能优异,有效保障头部安全。帽体加厚设计,增强耐用性与防护等级...
    5.8

    水口钳高硬度模型剪钳电子钳工业级口水剪斜嘴钳偏口斜口专用钳子

    水口钳高硬度模型剪钳是一款工业级精密工具,专为电子、模型制作及精细作业设计。采用优质高碳钢材质,经热处理工艺打造,具备卓越的硬度和耐磨性,可轻松剪切金属引脚、...
    4.8

    170电子剪钳II 如意斜口钳 工业斜嘴钳水口钳 模型剪塑胶钳尖嘴钳

    170电子剪钳II如意斜口钳是一款专业级精密工具,集工业斜嘴钳、水口钳、模型剪、塑胶钳与尖嘴钳功能于一体,适用于电子维修、模型制作、手工艺及精密作业。其采用优...
    4.5

    安全帽国标工地加厚施工领导透气安全头盔建筑工程监理免费印字

    本款安全帽严格遵循国家GB 2811-2019标准,专为建筑工程、工地施工及监理人员设计。采用高强度ABS工程塑料,加厚壳体有效抗冲击,保障头部安全。帽体轻盈透气,内置可调...
    10

    包邮三角型简易螺丝刀三角十字螺丝刀螺丝批改锥起子五金工具5mm

    这款5mm三角型简易螺丝刀,专为拧紧或拆卸三角形螺丝设计,适用于电子维修、家电维护及精密仪器装配等场景。采用优质合金钢材质,刀头硬度高、耐磨损,确保长久使用不变...
    3.64

    网站栏目