| LB型撞块槽板系列产品 | |  | 
| 本产品根据国外同类产品(西德样品)研制生产,可以较为合理地完成机床控制要求,在一定程度上提高了机床生产效率。该产品结构简单,安装方便,机动性好,造型美观,表面平整,粗糙度Ra≤1.6≤,硬(HB )≥70,能紧固于组合机床、机械平台、液压滑台等各种机床的床身上,不会产生移位,工作可靠。 |  | 
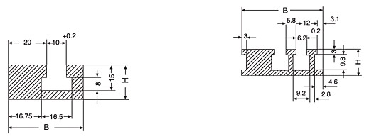
| LB1#(11) | LB2#(l1) | LB3#(11 ) | LB4#(11) | LB5#(11) | LB6#(11) | B | 40 | 46 | 52 | 70 | 82 | 94 | H | 20 | 16 | 16 | 16 | 16 | 16 |
| | |
|