MITUTOYO | 三坐标同轴度测量方法
|
同轴度误差的理解 MITUTOYO CRYSTA-Apex V 同轴度误差就是指被测轴线相对基准轴线偏差的变化量,它是反映在横截面上圆心的不同心,同轴度的测量对象是回转体零件。 同轴度是测量工作中经常遇到的位置公差,使用MITUTOYO CRYSTA-Apex V系列三坐标进行同轴度的测量,不仅直观而且方便。但是由于测量方法及测量基准选用的不同,以及采样策略、测量环境等因素的影响,常常会出现测量结果误差大、重复性差的现象。 如何解决该类问题?首先需要解决影响较大的两个问题采样合理的策略,以及减少放大误差的影响。 ONE 采样策略需要注意? 简而言之,同轴度评价特征的采样策略就是选取合理的采点方式来采集元素。 这里建议,测量圆或者圆柱特征时,利用自动采点来排除采点误差,并且采集点数和层数适当增加,因为三坐标测量机构造测量元素所依赖的是最小二乘法,所以要求采点数要达到一定数量才可以。 TWO 减小同轴度放大误差
*图片来源于网络* 如图1所示,这里假设,基准上两个测量截面间的距离相对很小,基准的一层截面与被测第一层截面的距离很大,如果基准圆柱第二截面的圆心位置已有5μm的测量误差,根据三角形相似的原理,当测量轴线到达被测截面时已经被放大成50μm,根据同轴度的计算方法50*2=100μm的同轴度误差,直接评价结果就不能真实反映零件的实际情况。 为解决上述情况,就要选用一种合理的测量方法避免。最常用的方法就是公共轴线法。 当基准圆柱与被测圆柱较短且距离较远时,下面我们使用mitutoyo CRYSTA-Apex V系列三坐标测量仪为例,介绍同轴度的测量方法。 ① 在基准圆柱内测量截面圆(4)和圆(5),通过圆(4)和圆(5)构建基准圆柱(2),被测圆柱内测量截面圆(2)和圆(3),通过圆(2)和圆(3)构建被测圆柱(1)
② 将四层截面圆的圆心连(线(1))作为基准轴线对齐XY平面找正
③ 然后评价输出被测(圆柱(1))相对基准(圆柱2)同轴度,该零件的同轴度值为(0.007189mm)
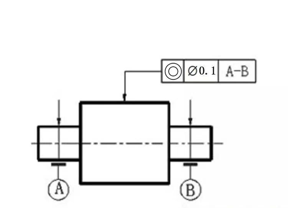
但这种方法也存在一定问题,因为基准轴线是两者的结合,缩小了实际可能比较大的误差,造成误判为合格,但是却是最适合装配和运转的实际情况。 总结,当基准轴线较短, 轴线方向测量不稳定,或者基准圆柱和被测圆柱相距较远基准圆柱轴向误差被线性放大时,适合采用公共轴线法,如果是下图这种情况,也是需要构造公共轴线来进行评价同轴度。
*图片来源于网络* 本次MITUTOYO三坐标的同轴度测量方法到这里就结束啦,小伙伴们有没有学会呢?希望这篇文章能给你带来帮助与启发,我们下期再见~ |














